Pedal just goes to the floor vehicle will still stop and you can pump up pedal

Tiny
JOSEPG
  • MEMBER
  • 2013 KIA SORENTO
  • 2.0L
  • 4 CYL
  • TURBO
  • 2WD
  • AUTOMATIC
  • 115,000 MILES
For no apparent reason a bought every 6 month or so the pedal just goes to the floor vehicle will still stop and you can pump up pedal this happens a bought 50 or 60 cycles then it is fine for 6 months or so. There are no external leaks and never uses any fluid. Fluid is also clean. When this happens no lights come one no brake pressure light no ABS light no traction control light nothing. And when it is doing it you can test ABS and feel it working.I have replaced front and back pads do to normal wear but never cracked a line or bleeder. Before I spend $300.00 on a master cylinder would like somemore input.
Monday, January 27th, 2020 AT 5:18 PM

1 Reply

Tiny
JACOBANDNICKOLAS
  • MECHANIC
  • 110,194 POSTS
If there are no leaks, the master cylinder is the most likely cause Although it is rare to have happen, the plungers in the master cylinder must be allowing fluid to bypass. The ABS won't cause the pedal to hit the floor.

Here is a link you may find of interest:

https://www.2carpros.com/articles/how-to-replace-a-brake-master-cylinder

If you decide to replace the master cylinder, here are the directions. The attached pics correlate with the directions.

________________

2013 Kia Truck Sorento 2WD L4-2.4L VIN 1 (MPI)
Repair Procedures
Vehicle Brakes and Traction Control Hydraulic System Brake Master Cylinder Service and Repair Removal and Replacement Repair Procedures
REPAIR PROCEDURES
Removal

1. Remove the air cleaner assembly (A).

pic 1

2. Disconnect the brake fluid level switch connector (B) from the reservoir.

pic 2

3. Remove the brake fluid from the master cylinder reservoir with a syringe.

CAUTION:
- Do not spill brake fluid on the vehicle, it may damage the paint; if brake fluid does contact the paint, wash it off immediately with water.

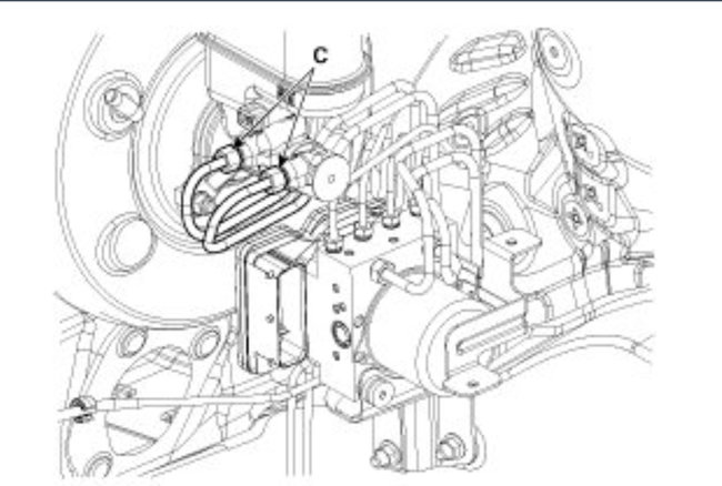
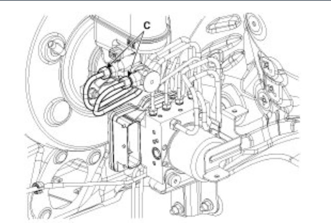
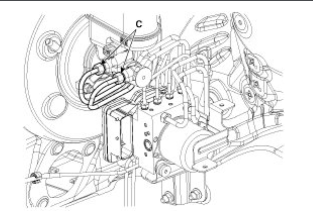
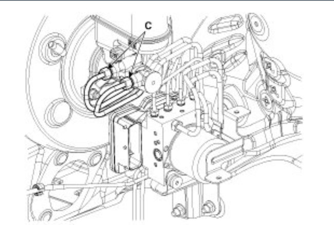
4. Disconnect the brake tube (C) from the master cylinder by loosening the tube flare nut.

Tightening torque:
ESC : 18.6 - 22.6N.m (1.9 - 2.3kgf.m, 13.7 - 16.6lb-ft)

pic 3

5. Remove the master cylinder (B) from the brake booster after loosening the mounting nuts (C).

Tightening torque:
12.7 - 16.7N.m (1.3 - 1.7kgf.m, 9.4 - 12.3lb-ft)

pic 4

Installation

1. Installation is the reverse of removal.
2. After installation, bleed the brake system.

_______________________________

Let me know if this helps.

Take care,
Joe
Was this
answer
helpful?
Yes
No
Monday, January 27th, 2020 AT 7:16 PM

Please login or register to post a reply.