Codes C1252, C1256 and C1310, Brake not Effective?

Tiny
BLESSING EWOBOR
  • MEMBER
  • 2006 TOYOTA HIGHLANDER HYBRID
  • V6
  • 4WD
  • AUTOMATIC
  • 245,345 MILES
Hello, the vehicle brake system is not very hard to depress. Even if depressed with enough effort it is not effective. When the vehicle was scanned, the codes that were found on the ABS were C1252, C1256, C1310.
What could be the problem?
Saturday, September 2nd, 2023 AT 1:12 PM

12 Replies

Tiny
JACOBANDNICKOLAS
  • MECHANIC
  • 110,194 POSTS
Hi,

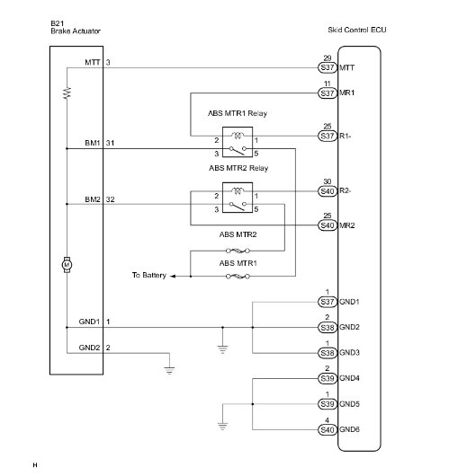
All of the codes are related. It could be something as simple as a stuck ABS motor relay or as major as the brake actuator assembly.

I attached diagnostics below. Take a look through them and let me know if you are comfortable performing them.

Take care,

Joe

See pics below.
Was this
answer
helpful?
Yes
No
Saturday, September 2nd, 2023 AT 10:37 PM
Tiny
BLESSING EWOBOR
  • MEMBER
  • 754 POSTS
Thank you very much.
Was this
answer
helpful?
Yes
No
Sunday, September 3rd, 2023 AT 6:08 AM
Tiny
JACOBANDNICKOLAS
  • MECHANIC
  • 110,194 POSTS
Hi,

I didn't realize this was you. LOL. You are very welcome, my friend. If you have a chance or if I can help, let me know.

Take care and let me know what you find. I'm interested in knowing.

Joe
Was this
answer
helpful?
Yes
No
Sunday, September 3rd, 2023 AT 8:46 PM
Tiny
BLESSING EWOBOR
  • MEMBER
  • 754 POSTS
Good afternoon, sir.
I will notify you sir.
Was this
answer
helpful?
Yes
No
Wednesday, September 6th, 2023 AT 5:47 AM
Tiny
BLESSING EWOBOR
  • MEMBER
  • 754 POSTS
Thank you very much,
The brake system is now working effectively. Replacing the component below solved the problem.
Was this
answer
helpful?
Yes
No
Monday, September 11th, 2023 AT 6:01 PM
Tiny
JACOBANDNICKOLAS
  • MECHANIC
  • 110,194 POSTS
Hi,

Thanks for the update. I'm glad the problem is resolved.

Take care of yourself and as always, feel free to come back anytime.

Joe
Was this
answer
helpful?
Yes
No
Monday, September 11th, 2023 AT 8:43 PM
Tiny
BLESSING EWOBOR
  • MEMBER
  • 754 POSTS
Good morning, sir.

Please, where is the accumulator pressure sensor located on the ABS actuator?
Was this
answer
helpful?
Yes
No
Thursday, September 21st, 2023 AT 2:01 AM
Tiny
JACOBANDNICKOLAS
  • MECHANIC
  • 110,194 POSTS
Hi,

I believe that is integral to the brake actuator assembly. I don't recall seeing a separate sensor at any point.

Joe

See pics below.
Was this
answer
helpful?
Yes
No
Thursday, September 21st, 2023 AT 6:50 PM
Tiny
BLESSING EWOBOR
  • MEMBER
  • 754 POSTS
Thank you, sir.
When I read through some of what you sent earlier, I saw accumulator pressure sensor, since then I have been searching for it on the ABS line, but I couldn't see any sensor. Lol
Was this
answer
helpful?
Yes
No
Thursday, September 21st, 2023 AT 11:21 PM
Tiny
JACOBANDNICKOLAS
  • MECHANIC
  • 110,194 POSTS
Hi,

You are very welcome. If you have a chance, let me know how things turn out for you. I'm interested in knowing.

Take care,

Joe
Was this
answer
helpful?
Yes
No
Friday, September 22nd, 2023 AT 1:08 PM
Tiny
BLESSING EWOBOR
  • MEMBER
  • 754 POSTS
Good evening, sir.

The vehicle is working perfectly after the replacement of the brake actuator.
Was this
answer
helpful?
Yes
No
Tuesday, September 26th, 2023 AT 12:20 PM
Tiny
JACOBANDNICKOLAS
  • MECHANIC
  • 110,194 POSTS
Hi,

Thank you for the update. I'm glad to know it's fixed.

Take care and as always, feel free to come back.

Joe
Was this
answer
helpful?
Yes
No
Tuesday, September 26th, 2023 AT 12:59 PM

Please login or register to post a reply.