Wednesday, December 27th, 2017 AT 8:38 AM
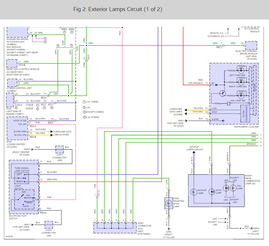
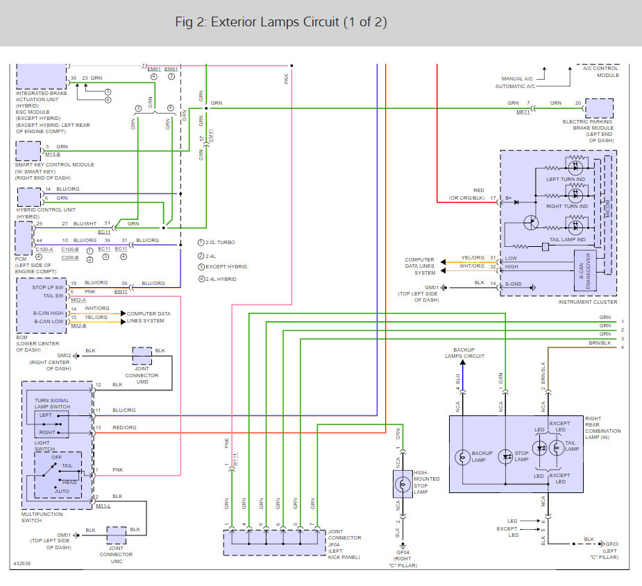
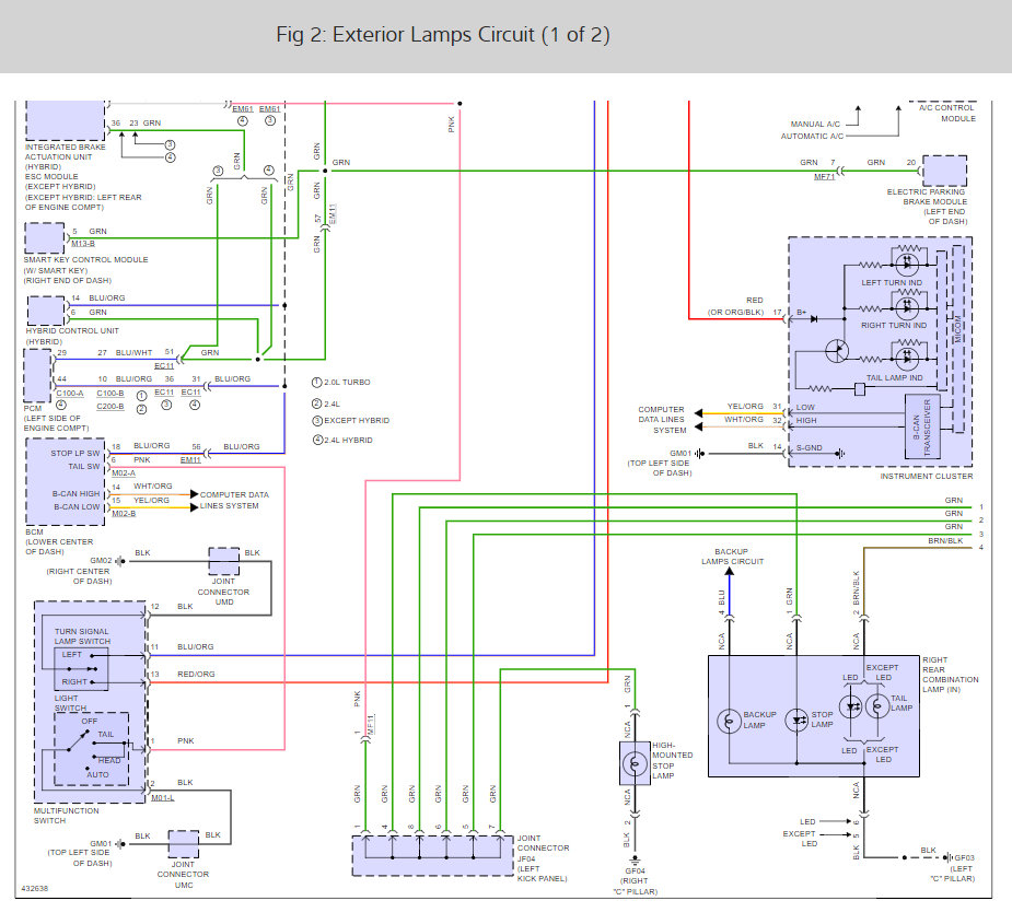
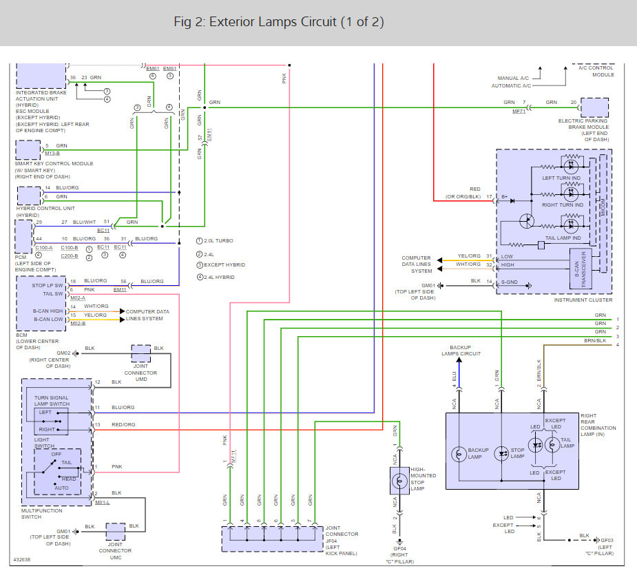
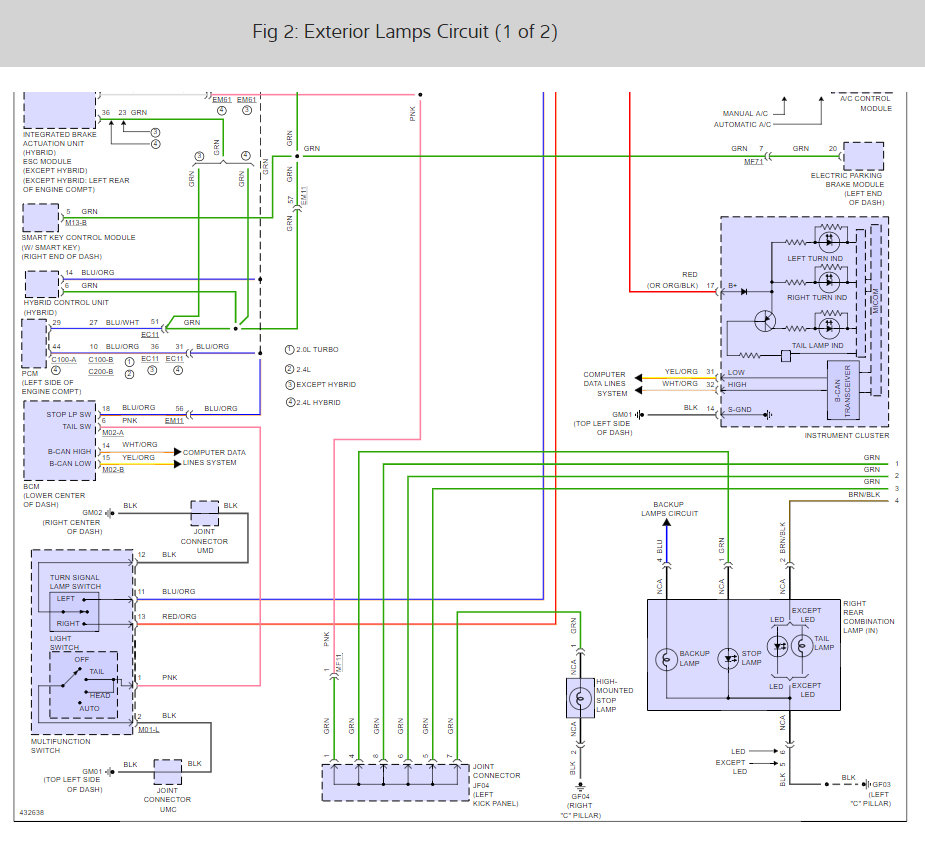
My brake lights are not working. The turn signals, both right and left work with brand new bulbs, but when pressing on the brake pedal, the lights do not come on.

















