Brake lights not working

Tiny
KINGW1701
  • MEMBER
  • 1999 CHEVROLET 3500
  • 5.7L
  • V8
  • 2WD
  • AUTOMATIC
  • 212,000 MILES
CHMSL brake light works, taillights work, signals work, DRL works, when brake pedal is pressed the rest of lights do dim but very little.
Thursday, May 5th, 2022 AT 7:41 AM

1 Reply

Tiny
JACOBANDNICKOLAS
  • MECHANIC
  • 110,192 POSTS
Hi,

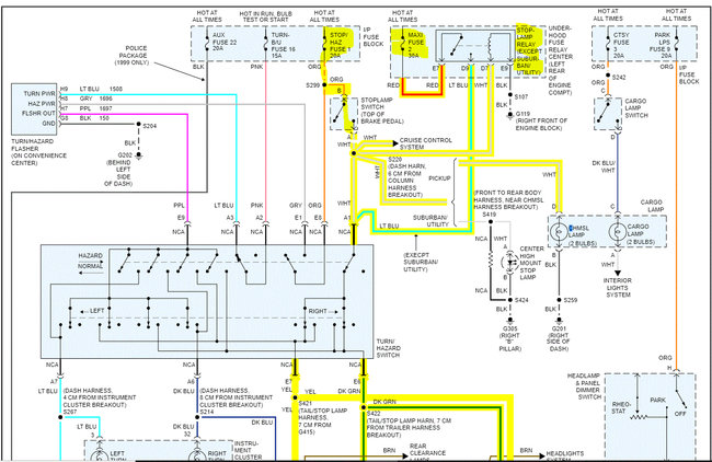
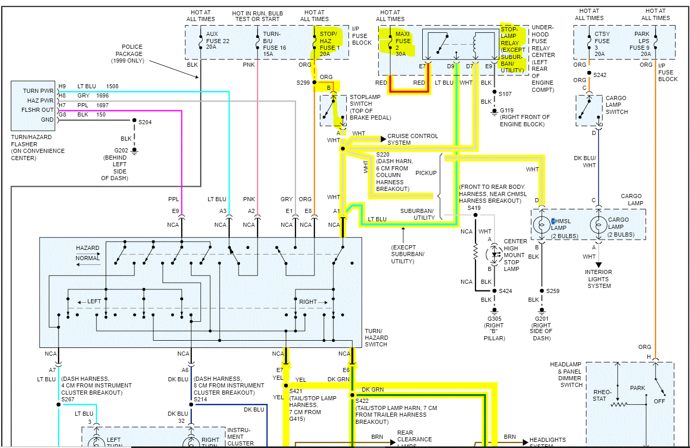
If it is only the brake lamps (excluding the CHMSL) that aren't working, then either there is a wiring problem, or the turn signal/Hazard switch is bad.

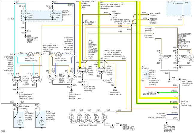
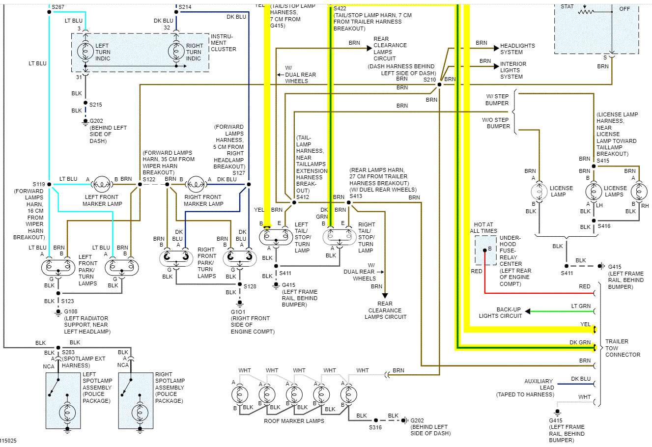
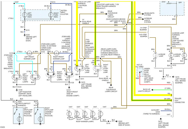
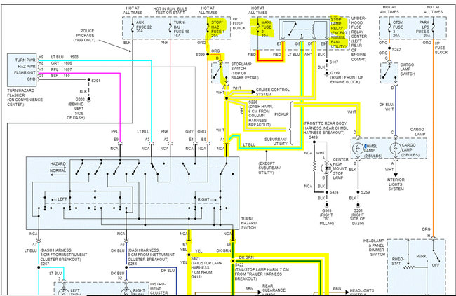
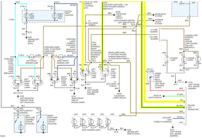
I attached two pics below containing the brake light wiring schematic. I highlighted the wiring. If there was a problem with a fuse, switch, or relay, the CHMSL wouldn't work. Since it does, that leaves the two things I mentioned.

We need to start by testing if there is power to the light sockets on both sides. On the left side lamp assembly will be a yellow wire that powers the brake lights. On the right the wire is dark green. Test for power at those two wires.

Here is a link you may find helpful:

Let me know what you find or if you have other questions.

Take care,

Joe

See pics below.
Was this
answer
helpful?
Yes
No
Thursday, May 5th, 2022 AT 8:50 PM

Please login or register to post a reply.