Brake lights do not work

2008 SATURN AURA
134,765 MILES • 3.5L • 2WD • AUTOMATIC
Avatar
JESSIE WHITEHEAD
  • MEMBER
  • 1 POST
My turn light work but my brake lights don't work. can anyone help?
May 27, 2020 at 10:09 AM
Advertisement
Repair Safety Notice: This information is for general instructional purposes only. Vehicle repair can be dangerous. Verify all information, follow manufacturer service procedures, use proper tools and safety equipment, and consult a qualified repair shop when needed.
Avatar
DANNY L
  • AUTOMOTIVE REPAIR CONTRIBUTOR
  • 5,648 POSTS
Hello, I'm Danny.

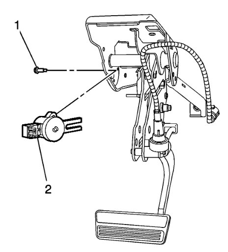
First thing to check should be fuse #24 in the under hood fuse box next the the cars battery. The other thing that might be causing the problem is the brake pedal position switch which is mounted to the brake pedal assembly . I've attached picture steps below on how to test and there locations.Hope this helps and thanks for using 2CarPros.
May 28, 2020 at 4:18 PM