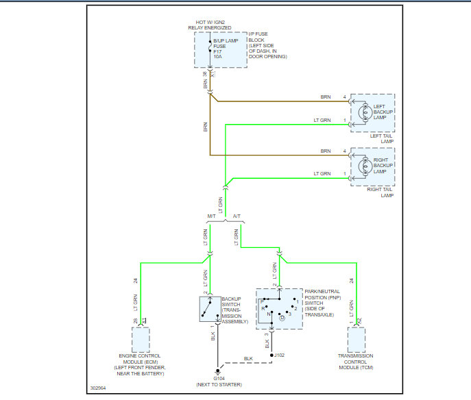
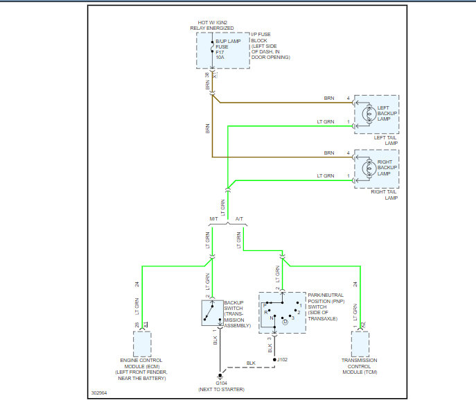
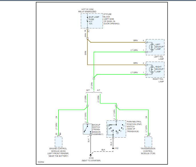
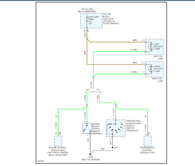
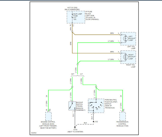
Checked the fuse, wasn’t burnt . Changed it anyways. Lights also aren’t burnt out, but the dome light doesn’t work and the reverse/back-up lights do not come on when put into reverse.
Help!
Help!
Feb 20, 2019 at 3:51 PM



