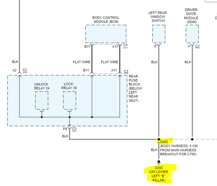
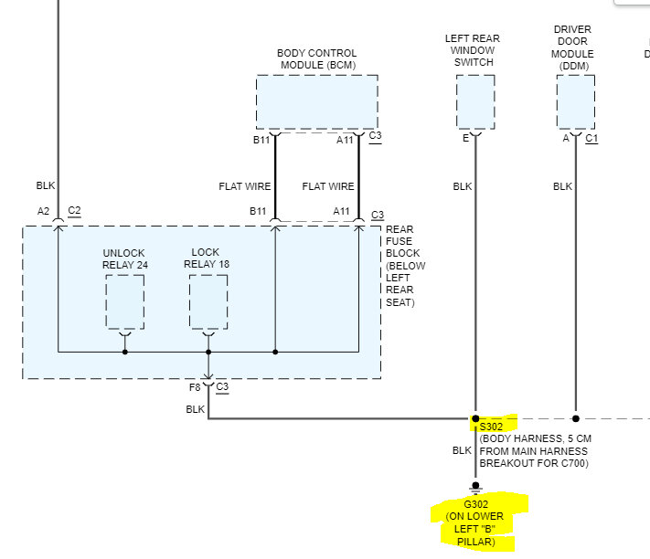
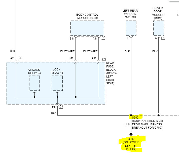
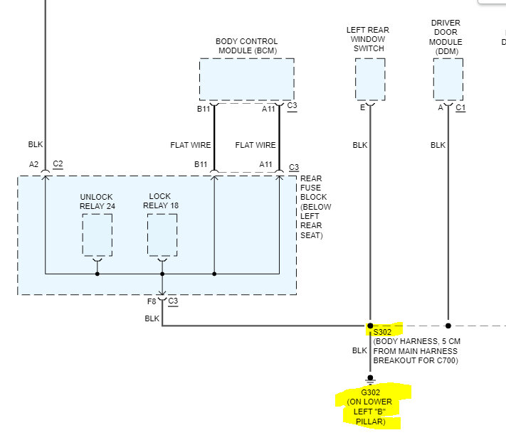
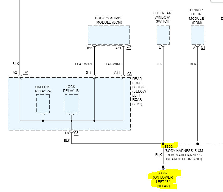
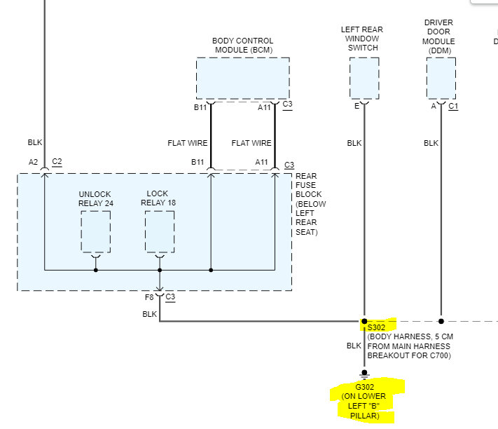
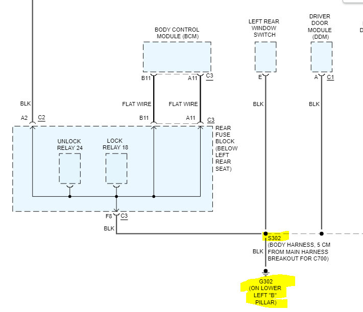
I'm Having a problem with the BMC, I'm trying to find the ground going to the BMC but can't find any wiring Diagram for this. would you know where I could get one?
Thanks
Thanks
Dec 7, 2022 at 1:06 PM

