Body control module location

2003 HYUNDAI XG350
260,000 MILES • 6 CYL • 2WD • AUTOMATIC
Avatar
LARRY NASON
  • MEMBER
  • 48 POSTS
Can somebody please tell me where the body control module is located on my vehicle listed above?
Aug 5, 2020 at 4:12 PM
Advertisement
Repair Safety Notice: This information is for general instructional purposes only. Vehicle repair can be dangerous. Verify all information, follow manufacturer service procedures, use proper tools and safety equipment, and consult a qualified repair shop when needed.
Avatar
KASEKENNY
  • AUTOMOTIVE REPAIR CONTRIBUTOR
  • 18,907 POSTS
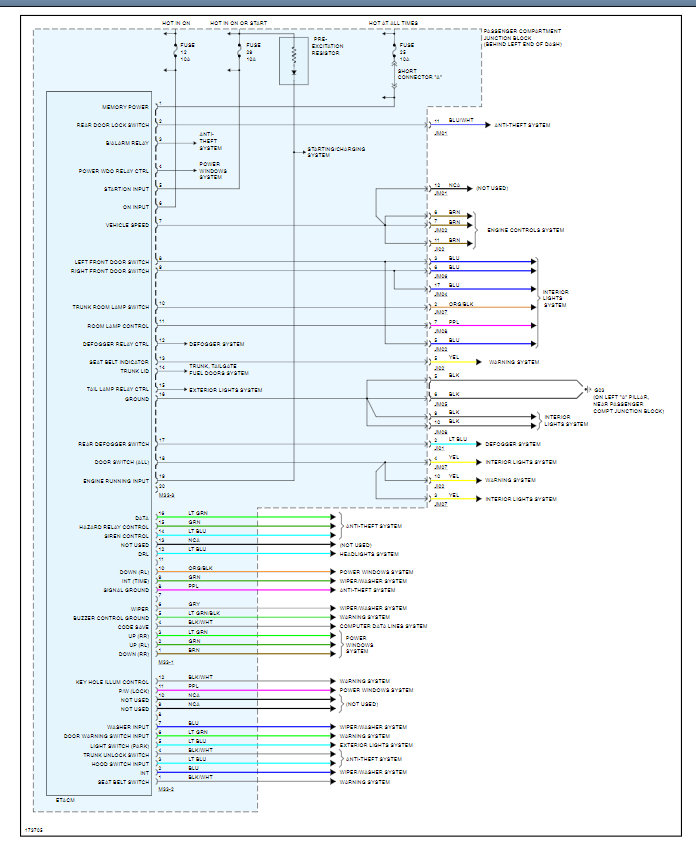
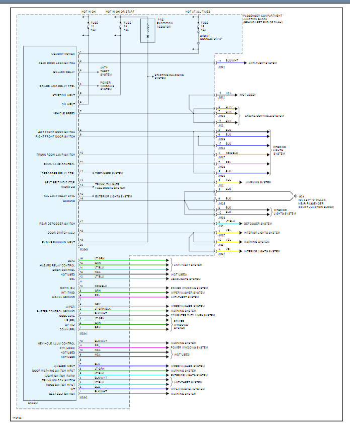
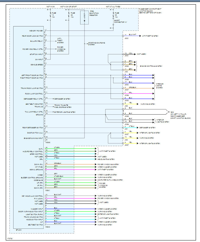
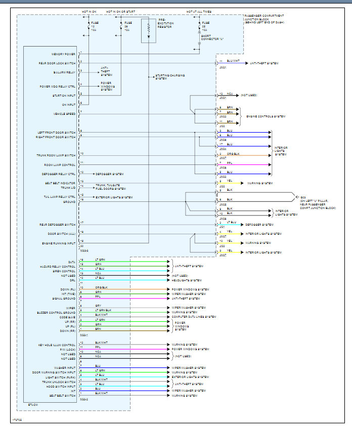
It appears you don't have a body control module but instead a passenger compartment junction block which is located behind the left side of the dash. I attached the wiring diagram for this component.

Was there a specific reason you are needing the BCM?
Aug 5, 2020 at 4:48 PM
Avatar
LARRY NASON
  • MEMBER
  • 48 POSTS
Set brake lights aren't working. I replaced the brake switch and I didn't fix it. I checked the fuses under the hood they are fine the under the dash fuse box has me confused because sometimes it'll have power at the fuse other times it won't. also when the brake lights don't work the controls don't work and hazard lights don't work, but when the brake lights to work I have see control in hazards. do you have any idea on what could be the cause?
Aug 6, 2020 at 9:51 AM
Advertisement
Avatar
KASEKENNY
  • AUTOMOTIVE REPAIR CONTRIBUTOR
  • 18,907 POSTS
Just to be clear, you have power at times and sometimes you don't on the fuse shown in this diagram? If that is the case, then you have a wiring issue to the junction block or the junction block has an issue on the circuit board. Clearly it is unlikely to be a wiring issue to the junction block or all the fuses would be effected. If you have found intermittent power at this fuse, I would replace the fuse block.

Let me know if this is the case. Thanks
Aug 6, 2020 at 6:19 PM
Avatar
LARRY NASON
  • MEMBER
  • 48 POSTS
So I replaced the fuse block and that did not fix my problem. I also notice the hazard lights do not work and push the switch the brake light failure light comes on on the dash.
Aug 12, 2020 at 7:46 AM
Advertisement
Avatar
LARRY NASON
  • MEMBER
  • 48 POSTS
Update: so I've been testing everything with a test light not a multi-meter and and just for the heck of it I tested it with a multi-meter coming off with the brake switch and it's only got five volts going to it.
Aug 12, 2020 at 11:18 AM
Avatar
KASEKENNY
  • AUTOMOTIVE REPAIR CONTRIBUTOR
  • 18,907 POSTS
Can we back up and clarify what you are dealing with now? The only reason is, it looks like we need to get a new post started. The only reason is we need to make sure we are sticking to the heading on the post. If we don't the others that visit this site will not find the answers to the questions. So if you have having an issue with the brake switch voltage, let's start a new post on that because others won't find it under this heading.

https://www.2carpros.com/questions/new

Thanks
Aug 13, 2020 at 6:36 PM