Blower motor stopped working

Tiny
CHEF BOBBAY
  • MEMBER
  • 2010 FORD EDGE
  • 3.5L
  • 6 CYL
  • 2WD
  • AUTOMATIC
  • 77,000 MILES
Replaced 40amp fuse and blower relay today. Motor still doesn’t run. Anything else should check before replacing motor.
Tuesday, December 17th, 2019 AT 3:16 PM

1 Reply

Tiny
JACOBANDNICKOLAS
  • MECHANIC
  • 110,194 POSTS
Hi,

Before you replace the motor, see if there is power to the blower motor resister / speed control. If there is, check for power at the motor itself. If there is no power to the motor but the resister has power, suspect the resister is bad. If there is power, replace the motor.

If there is no power to the resister, you will need to work back to the switch.

Here are directions for resister replacement. The attached pics will correlate with the directions.

___________________________________

2010 Ford Truck Edge FWD V6-3.5L
Blower Motor Speed Control
Blower Motor Speed Control
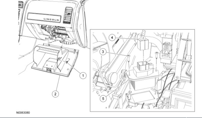
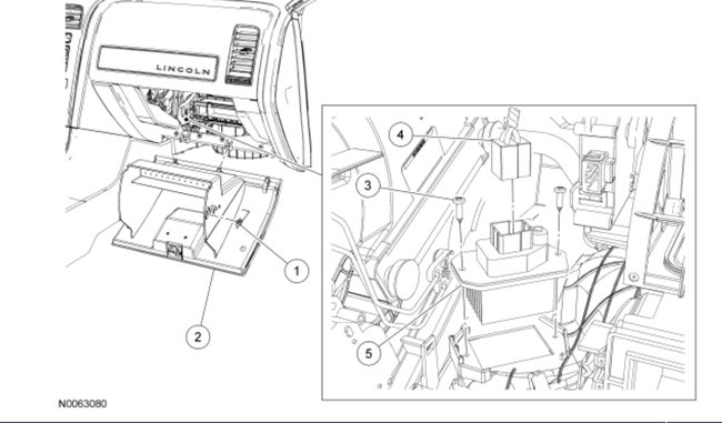
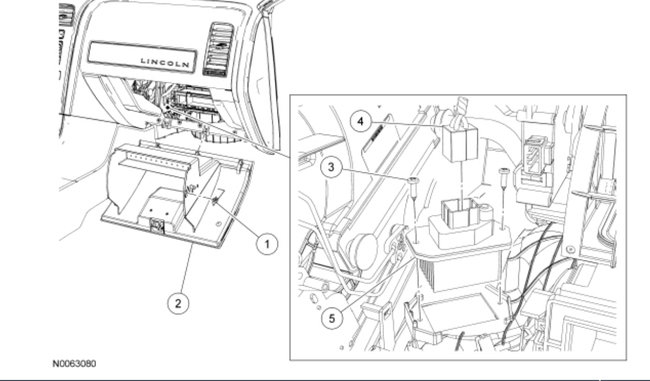
BLOWER MOTOR SPEED CONTROL
412-01 Climate Control 2010 Edge, MKX
REMOVAL AND INSTALLATION
Blower Motor Speed Control
NOTE: Blower motor speed control shown, blower motor resistor similar.

Pic 1

Item Part Number Description
1 7806200 Glove compartment damper
2 7806024 Glove compartment
3 †Blower motor speed control screw (2 required)
4 19C603 Blower motor speed control electrical connector
5 19E624 Blower motor speed control (Electronic Automatic Temperature Control (EATC) vehicles)
5 19A706 Blower motor resistor (Electronic Manual Temperature Control (EMTC) vehicles)
Removal and Installation

Detach the glove compartment damper from the glove compartment.
Remove the glove compartment.
Disconnect the blower motor speed control electrical connector.
Remove the 2 blower motor speed control screws.
Remove the blower motor speed control.
To install, reverse the removal procedure.

If you find the motor is bad, here are the directions for replacing it. Again, the pics will correlate with the directions.

________________________________________________

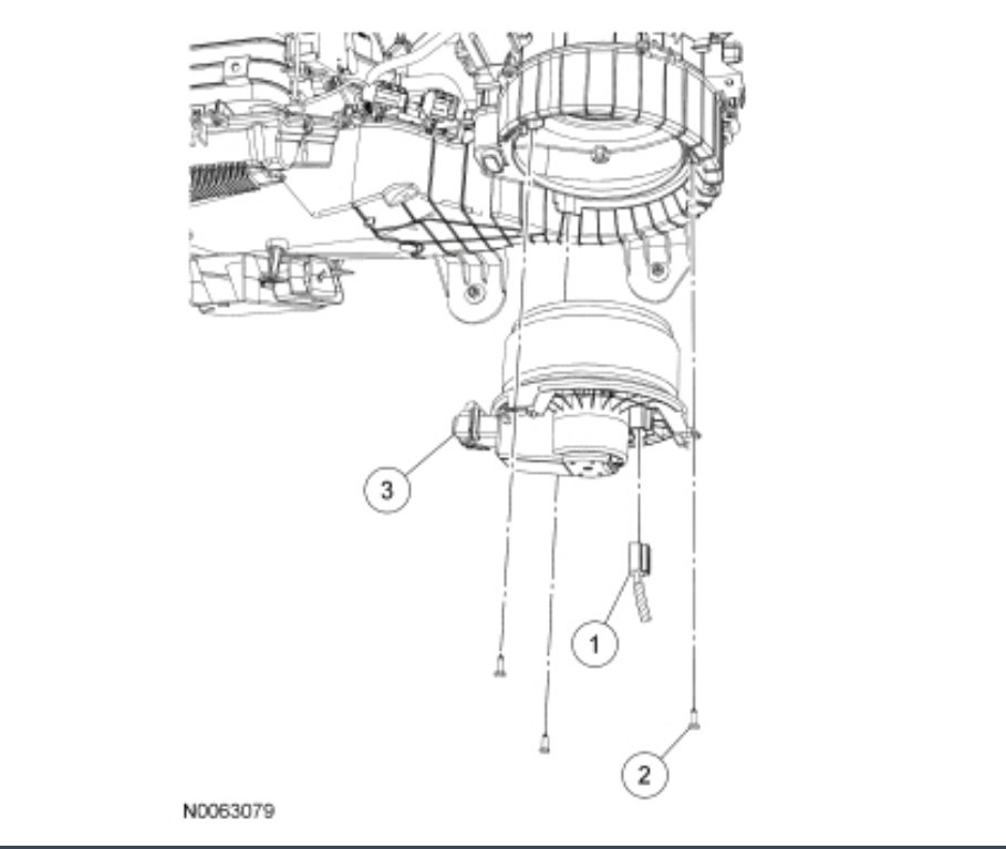
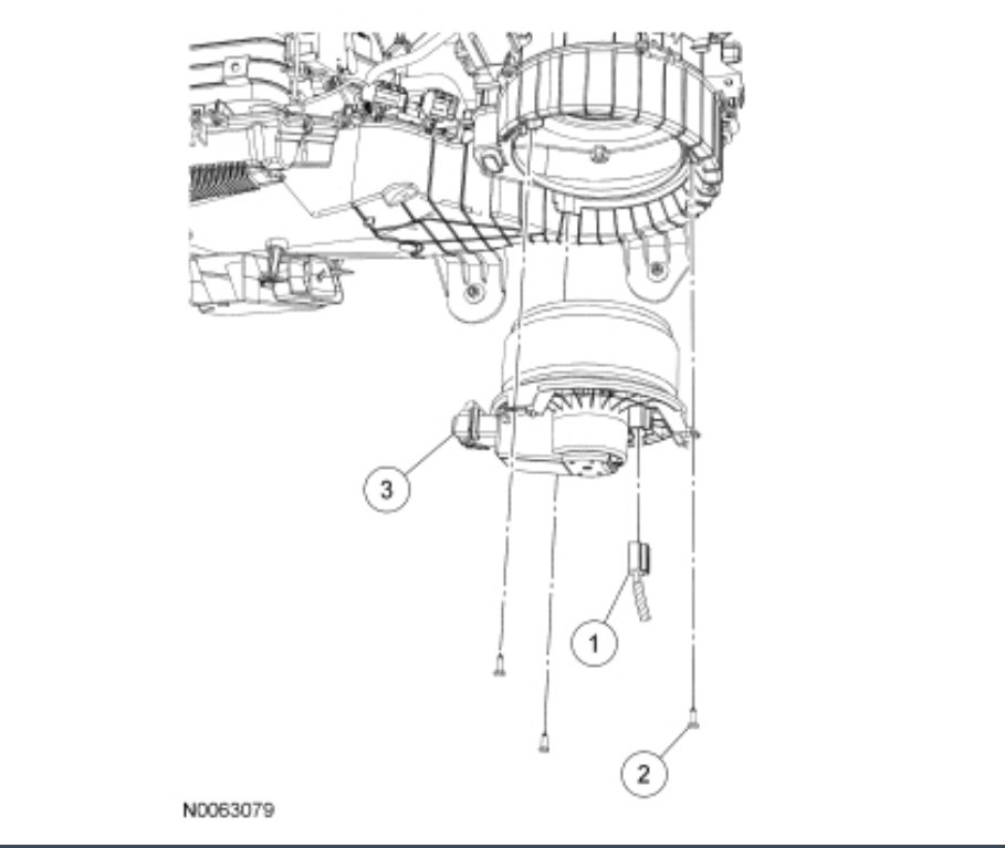
2010 Ford Truck Edge FWD V6-3.5L
Blower Motor
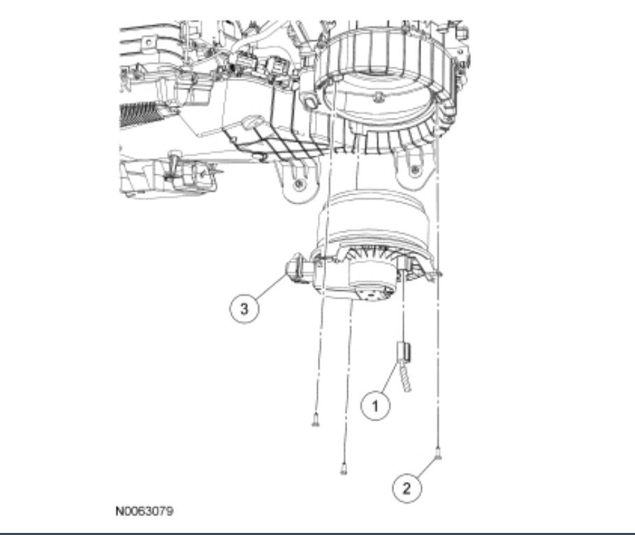
Vehicle Heating and Air Conditioning Blower Motor Service and Repair Removal and Replacement Blower Motor
BLOWER MOTOR
412-01 Climate Control 2010 Edge, MKX
REMOVAL AND INSTALLATION
Blower Motor

pic 2

Item Part Number Description
1 19C603 Blower motor electrical connector
2 †Blower motor screw (3 required)
3 19805 Blower motor
Removal and Installation

Remove the RH lower instrument panel insulator.
Disconnect the blower motor electrical connector.
Remove the 3 blower motor screws.
Remove the blower motor.
To install, reverse the removal procedure.

_______________________________

Let me know if this helps or if you have other questions.

Take care,
Joe
Was this
answer
helpful?
Yes
No
Tuesday, December 17th, 2019 AT 8:52 PM

Please login or register to post a reply.