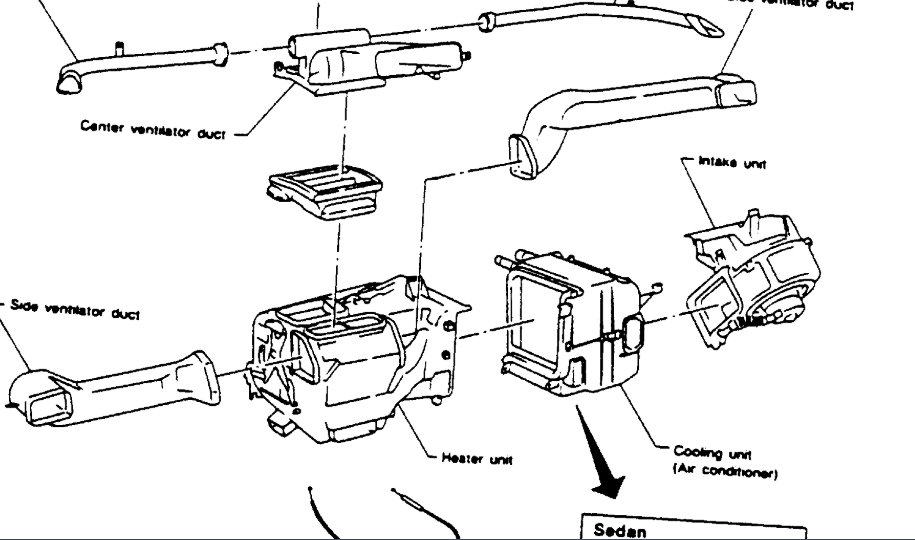
Saturday, December 22nd, 2018 AT 1:11 PM
About a week and a half ago my blower fan motor went out. And after I Googled information on it it told me that was probably the resistor because my fan only worked on speed number three the high speed, and then it stopped working. So I took the resistor and got a new one replaced it after I replace the resistor turn the key on and then turn the fan on and still nothing. Then I watched another video and it said to take a hammer and smack you fan three times, but it dawned on me when we lived on the farm we used to do that to our tractors and our trucks starters to get him to start working again sometimes. So I took a chance and turn the key on took the back of my screwdriver smack the fan lightly three times and it started to work put everything back together and I don't know if that has anything to do with what's going on in in the car so that's it.



