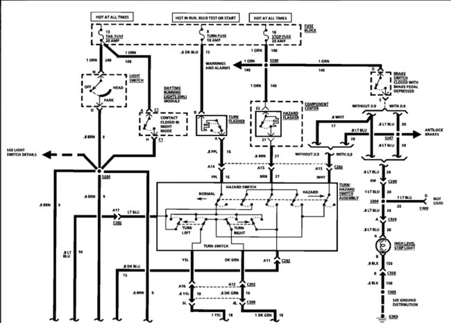
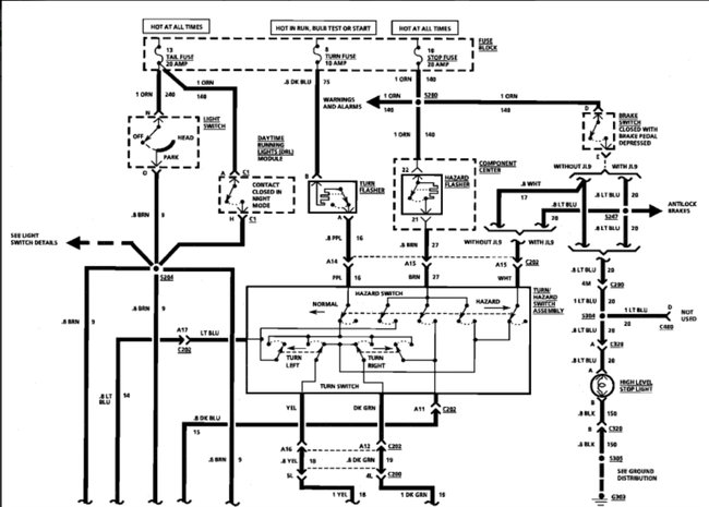
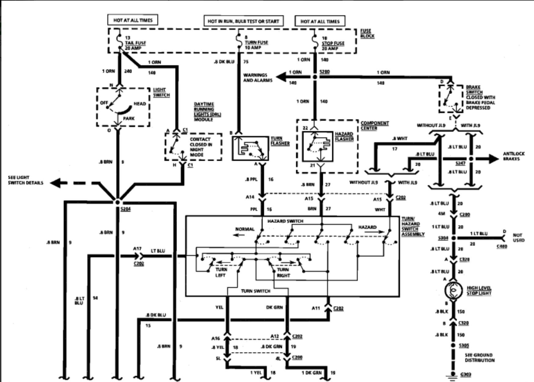
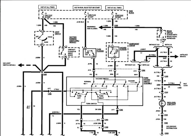
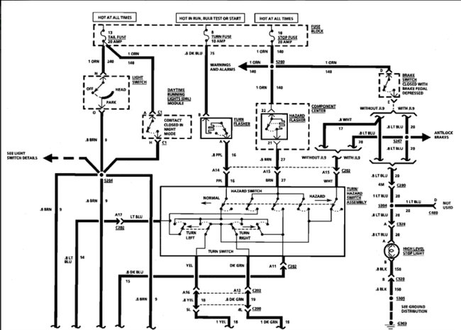
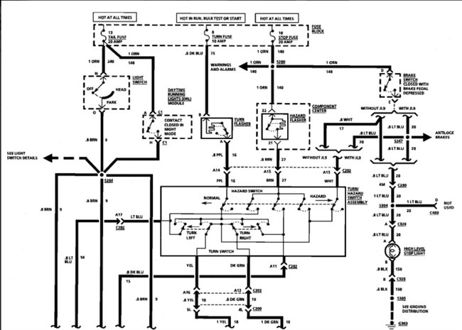
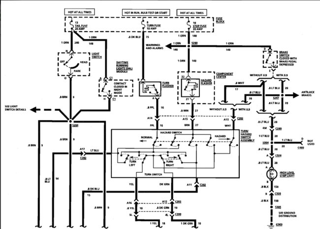
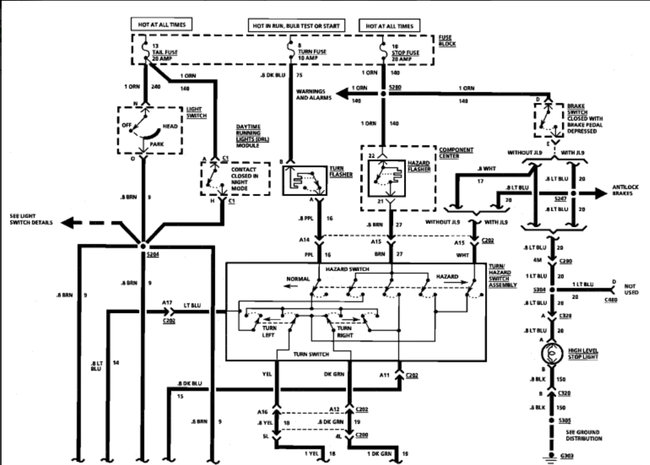
I just installed a new turn signal switch because the right turn signal was only flashing. After I installed the new turn signal switch it was working fine. I then reinstalled my hazard switch knob. When I toggled the hazard switch to make sure it was working I blew a fuse. Turn signal flasher relay is not working or turn signal and hazards itself. I checked all fuses and they are still good. I am thinking I blew out the turn signal flasher harness connector.
Also, after that happened I noticed the headlight switch is not working because my front headlights do not turn on. Only the front side marker lights turn on. I also checked the headlight bulbs and they are still good too.
If none of the fuses are blown than could it be the flasher harness? Also, could my headlight switch be broken now?
Also, after that happened I noticed the headlight switch is not working because my front headlights do not turn on. Only the front side marker lights turn on. I also checked the headlight bulbs and they are still good too.
If none of the fuses are blown than could it be the flasher harness? Also, could my headlight switch be broken now?
Jun 8, 2018 at 10:19 AM

