Broke plastic rubber piece on what I thought was bleeder valve for coolant. This piece was holding onto metal piece. Have pictures and video.
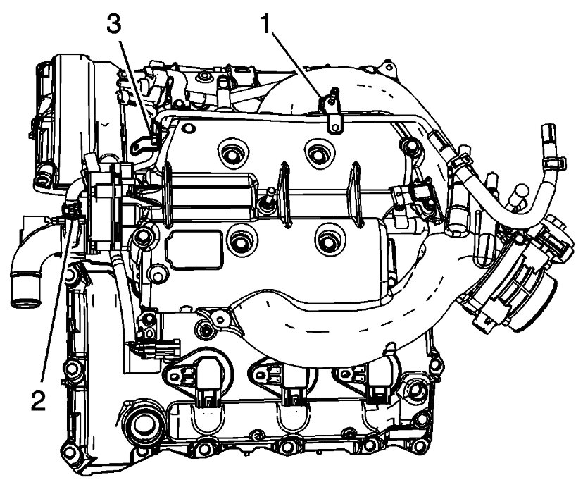
Part is located on the left side of the engine block. Next to the belt.
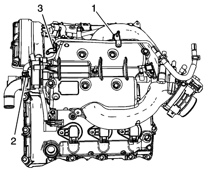
Part is located on the left side of the engine block. Next to the belt.
Apr 21, 2025 at 7:05 AM
