BCM Issue?

Tiny
RICKCASEBEER
  • MEMBER
  • 2012 CHEVROLET COLORADO
  • 3.7L
  • 5 CYL
  • 2WD
  • AUTOMATIC
  • 42,017 MILES
Thanks in advance for listening to my issue. The odometer, gas and temp gauges in my 2012 Colorado (5cyl 3.7L) pickup aren’t working. The odometer has been stuck at 42,017 for several months now and the gauges work intermittently. Everything else seems to work correctly (power windows, A/C, headlights, etc). The truck runs fine, but it would be nice to have all the instruments working correctly. I do you think this is a BCM issue? Where should I begin to diagnose?
Tuesday, August 20th, 2024 AT 11:50 AM

2 Replies

Tiny
AL514
  • MECHANIC
  • 5,584 POSTS
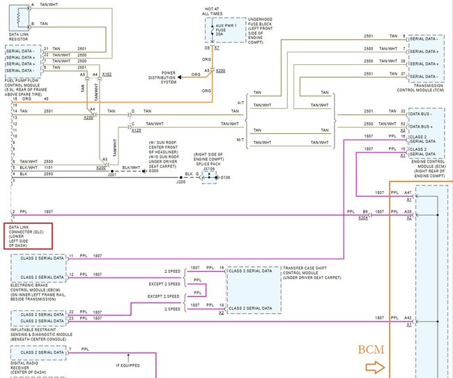
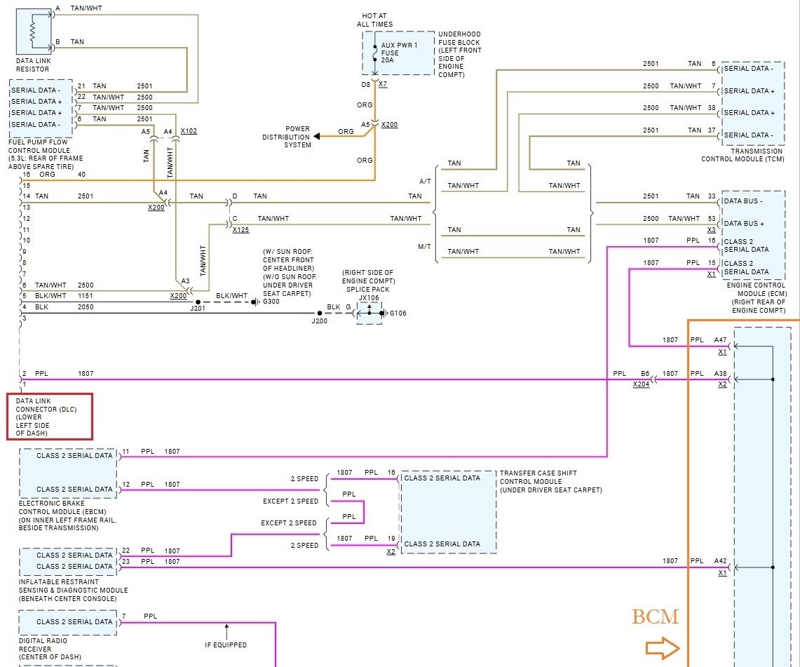
Hello, do the turn signals work on the exterior of the vehicle? Just not on the cluster? To begin with I would write down what the mileage is right now, and date it so you have a record of it. And just a quick look at the data network diagrams show a very limited small network,
does the vehicle have an OnStar option? Whether is active or not, just asking because it looks like the Cluster communicates to the network through possibly 2 other modules to get to the BCM, if the vehicle has OnStar option, the Cluster communicates to the BCM through the Vehicle Communications Interface Module, if it doesnt have OnStar then it bypasses that module to the BCM.

In either case I would start by seeing if you can communicate with the Cluster through a scan tool, see if you can read live data and possibly read any trouble codes that might be stored from the Cluster module.
A full system scan of the vehicle may show that other modules are setting codes that they cannot communicate with it either, at least they should be.

If there are no codes set at all, then I would check the connector on the cluster and if you are able, even check the Cluster solder joints where the connector plugs in for cracked solder joints,
I find this a lot with clusters acting like this, intermittently coming on and off, since its not completely failed, the last one I did recently had multiple cracked solder joints right where the harness connector meets the circuit board, they crack there because the thing is sitting there baking in the sun everyday, so starting there would be good, since most of the other BCM components seem to be working, the Radio works too correct?

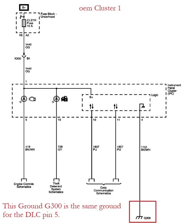
Ill put up the cluster wiring diagrams for you, there is a Ground for it under the drivers seat carpet, it looks like a Black/White wire, but be careful not to mess with any air bag modules that might be under either seat.
Was this
answer
helpful?
Yes
No
Tuesday, August 20th, 2024 AT 1:07 PM
Tiny
AL514
  • MECHANIC
  • 5,584 POSTS
Here is the Cluster wiring diagram (top and bottom 1, 2).
Diagrams 3, 4 is the Data Network diagrams, showing where the OnStar option would come into play here if there is OnStar.
Diagrams 5, 6 are the OEM wiring diagrams for the Data Network. You can see it's a very small network, diagram 6 is the High Speed network, which is a 2 wire canbus for the ECM, TCM, etc.

Diagrams 8-15 are for removing the Cluster for inspection, its a pretty easy cluster to remove for inspection. To actually check the solder joints where the connector meets the board, the back cover of the cluster needs to removed, service info doesn't give instructions for taking the cluster apart, it's pretty much a learn by experience type of thing, but you will need a magnify glass to inspect the solder joints for any cracks, they are very small and can be difficult to spot. But what happens is when they get hot they expand out and the circuit opens up, then these types of faults occur. So, it's always something I check pretty quick when its an intermittent issue like this.

The last 3 pictures are some examples of cracked solder joints and what to expect if that's the issue, most of the time I will just re-solder them and the issue is fixed, instead of replacing the entire cluster, which will require the mileage and data programming.
Also check the harness connector itself for loose connector pins, use a pin the same size or smaller than the one on the cluster connector to make sure they are tight inside the harness connector, which will cause intermittent issues just the same.
Let us know what you find, and if you need any other help.
Was this
answer
helpful?
Yes
No
Tuesday, August 20th, 2024 AT 2:13 PM

Please login or register to post a reply.