Saturday, November 3rd, 2018 AT 6:09 AM
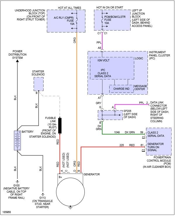
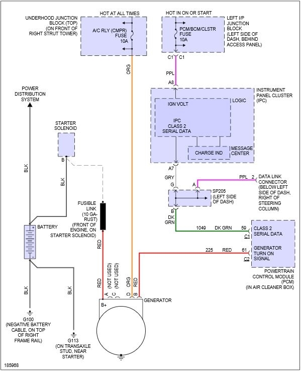
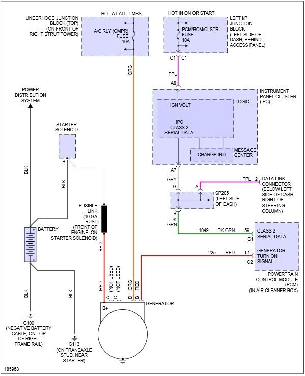
My battery will not charge. Had three alternators checked at AutoZone and all three tested to be good. I have five batteries that also tested good. Also replaced my starter, checked all fuses and ground wires and cleaned them. I put volt meter red wire on positive side of battery and touched alt positive with other lead and volts remain same as battery. Then put black lead on negative part of alternator and still reads the same. I am totally lost and tried everything it seems and about to give up on my baby. When I drive it, I can go fifteen to twenty minutes before it shuts off. Battery light always is on soon as I start it. When it starts to shut off the speed odometer and everything on dash stops working, transmission slips etc. Well last night it shut off within 1,000 feet all the way until I could not go 50 feet and had to walk home at 2:00 am! When I was working on it I noticed my front wheel hub sensor wires were ripped apart and just dangling there. Could that be the reason for battery not charging?


