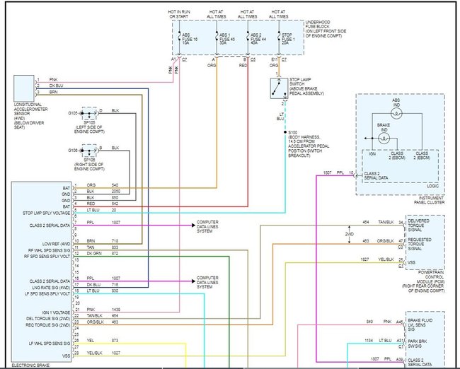
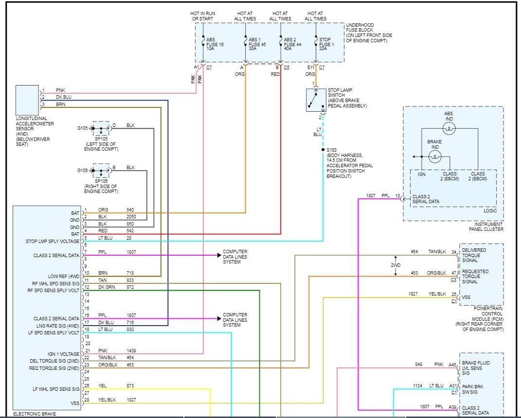
Boosted with no issue. So I figured battery so I pull the battery and get it serviced, now as soon as I connect the positive and negative I get a noise coming from near the master brake cylinder and it does not stop. I am completely lost on what is going on.
Wednesday, November 21st, 2018 AT 11:55 AM

