Thursday, July 13th, 2023 AT 8:04 AM
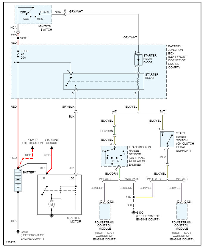
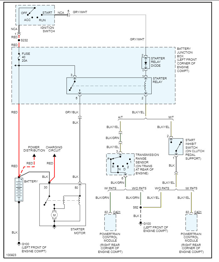
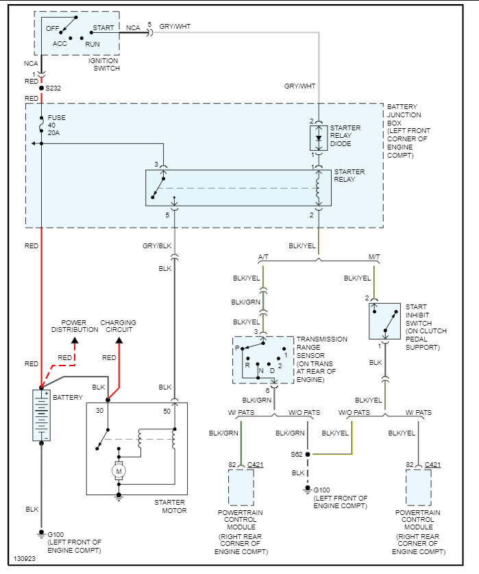
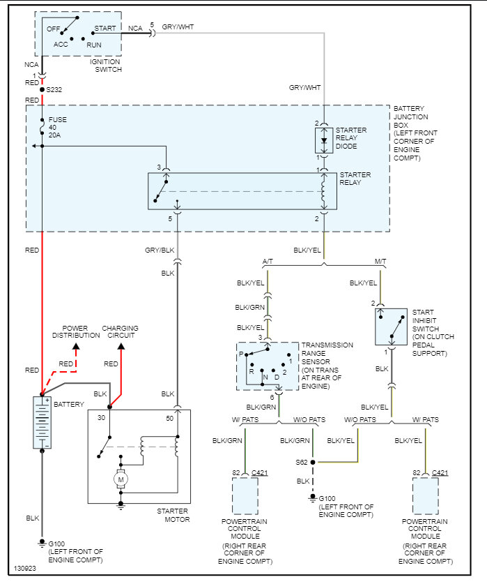
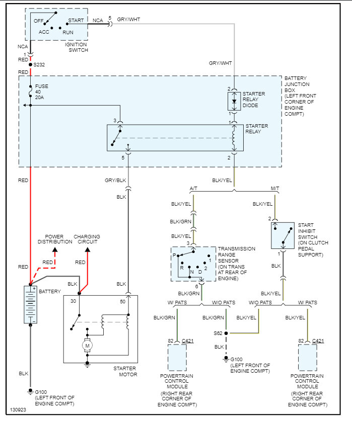
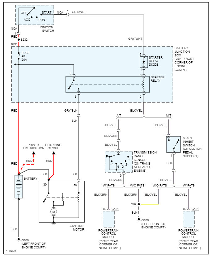
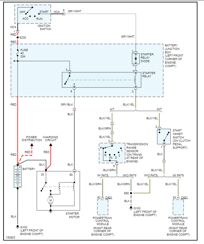
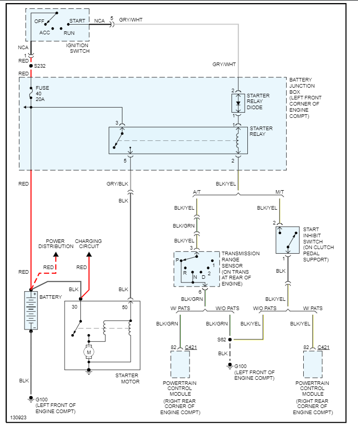
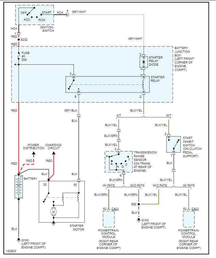
I was changing my battery one day and just lost the part that goes for the wiring on my battery terminals, so I don't know which wires go to the starter and the battery.





