Auto hold light on and power steering not working?

Tiny
DADDYD18777
  • MEMBER
  • 2014 KIA CADENZA
  • 69,000 MILES
Hello, so I was driving my car, and out of nowhere, my auto hold light came on and the power steering warning light came on, then it's like the power steering went out. It is very hard to turn and almost impossible to drive with now. This has happened a couple times before, but as soon as the auto hold pops on, I pull the car over, turn it off, turn it back on. And the auto hole disappears in the car is able to be steered again. This time the auto hold is illuminated and the power steering warning light in red with an exclamation mark is illuminated, and the power steering is not working. Please help
Monday, December 16th, 2024 AT 2:16 PM

6 Replies

Tiny
LUCASNIC
  • MECHANIC
  • 13 POSTS
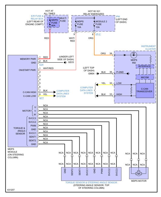
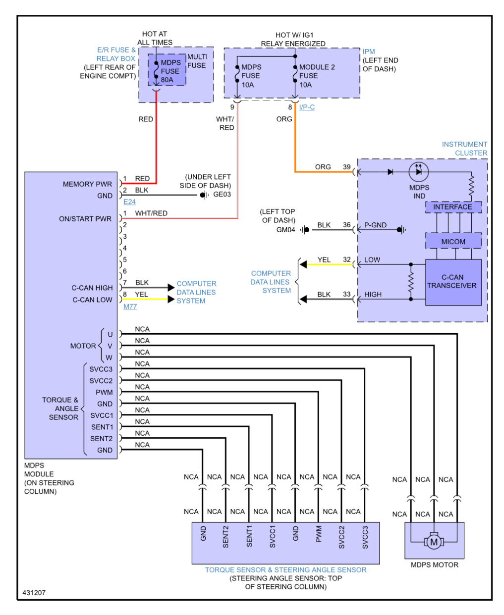
You most likely have a circuit problem with the power steering motor. There will be codes in the power steering module so it would be worth determining what those codes are as it will point you in the right direction of the circuits to check. Based on the symptom you are describing, it is most likely that the power steering motor/module is losing power, ground or communication with the rest of the modules in the vehicle. If you don’t have access to a scan tool that can read the codes in the power steering module, you can start by checking these circuits to see if there is an issue there. I attached a wiring diagram of the MDPS module (power steering module) where you can see the red wire for power, black wire for ground in one of the connectors. Then the other connector has a yellow and black wire for the communication circuits. The MDPS is mounted to the steering column on this vehicle.

I will say that your best bet to not having to waste any time checking circuits that may not be involved with your fault would be to get codes scanned in the MDPS module and go from there. If you are able to read the codes and need some additional help, let us know what codes are in this module and we can help from there.
Was this
answer
helpful?
Yes
No
Monday, December 16th, 2024 AT 9:18 PM
Tiny
DADDYD18777
  • MEMBER
  • 7 POSTS
You guys are awesome. Thank you so much for the quick detailed replies. Will this happen if I don't get the steering angle sensor calibrated after being unplugged/worked on?
Was this
answer
helpful?
Yes
No
Monday, December 16th, 2024 AT 9:23 PM
Tiny
DADDYD18777
  • MEMBER
  • 7 POSTS
I got a code saying "steering angle sensor (SAS) CIRCUIT signal", "auto vehicle hold (AVH) switch error", "brake switch error" "CAN electronic parking break EPS"
Was this
answer
helpful?
Yes
No
Monday, December 16th, 2024 AT 9:24 PM
Tiny
DADDYD18777
  • MEMBER
  • 7 POSTS
Heres the actual codes "C1260 steering angle sensor (SAS) CIRCUIT signal", "C1358 auto vehicle hold (AVH) switch error", "C1513 brake switch error" "C1652 CAN electronic parking break EPS"
Was this
answer
helpful?
Yes
No
Monday, December 16th, 2024 AT 9:27 PM
Tiny
DADDYD18777
  • MEMBER
  • 7 POSTS
You think I should just replace the whole power steering module?
Was this
answer
helpful?
Yes
No
Tuesday, December 17th, 2024 AT 2:36 PM
Tiny
LUCASNIC
  • MECHANIC
  • 13 POSTS
Calibrating the steering angle sensor is important. Missing calibrations can make the vehicle act erratically though it isn’t likely the other codes are setting due to this. If the calibration hasn’t been done after replacement or an alignment, that would be good to do though it is doubtful it will resolve the concern.

The codes setting are for different things so I wonder if they are set during other work that has been completed? It would be best to get a current scan with both of those warning lights on and see what codes are setting right now. Codes have different labels, and we really want to see codes in the Current category. If these are historical and your vehicle was worked on recently, they might lead us where we don’t need to go! Can you confirm if these codes are setting as Current codes? The other reason I say that is because these codes don’t seem like they would cause a loss of power steering.

If these are current, the C1358 is where I would start. The AVH switch or the wires could have an open or short. This could also cause the C1652 because that code sets for invalid data and may just be setting because of a switch/wire fault. Here are a couple of pictures, the circuit from the auto hold switch to the module could be shorted to a power circuit and causing the code. It would require testing between the module and the switch. Again, I don’t see how this would cause a loss of power steering but if these codes are current, start there.
Was this
answer
helpful?
Yes
No
Tuesday, December 17th, 2024 AT 3:23 PM

Please login or register to post a reply.