Four wheel drive light turned on but it was still in two wheel drive

Tiny
MOHAMMAD ANWAR KHAN
  • MEMBER
  • 2012 NISSAN ARMADA
  • 5.6L
  • V8
  • 4WD
  • AUTOMATIC
  • 30,000 MILES
Hi sir, I was driving my vehicle in 2wd in D position suddenly the 4wd engaged, I stopped the car 4wd light was on but vehicle was in 2wd. I switched off the car and restart, know 4wd light was off. And I started driving after 5 km again same problem. My vehicle 4wd engaged automatically, please help me to solve this issue. Thanks with regards.
Wednesday, July 10th, 2019 AT 3:24 PM

1 Reply

Tiny
KEN L
  • MASTER CERTIFIED MECHANIC
  • 55,097 POSTS
Hello,

It sounds like you need to replace the transfer case controller or you have corrosion on the electrical connector. Here is the location of the controller so you can check it out (below) with instructions on how to replace it.

Set transfer state as 2WD when 4WD shift switch is at 2WD, or as AUTO when 4WD shift switch is at AUTO.

CAUTION: When removing transfer control unit, transfer state must be at 2WD or AUTO.
Turn the ignition switch OFF and disconnect negative battery terminal.
Remove the instrument lower panel RH and glove box. Refer to "REMOVAL AND

INSTALLATION ".
Disconnect the two transfer control unit connectors.
Remove the transfer control unit bolts.
Remove the transfer control unit.

Installation is in the reverse order of removal.

When installing the transfer control unit, tighten bolts to the specified torque.
Transfer control unit bolts: 3.4 N.M (0.35 kg-m, 30 in-lb)

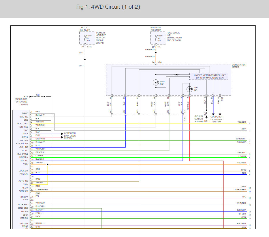
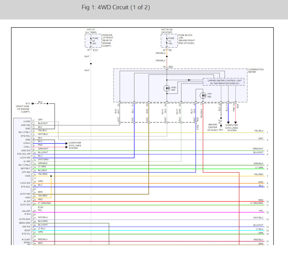
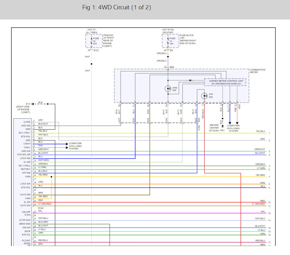
Check out the transfer case wiring diagrams (Below) so you can see how the system works. Please let us know what you find. We are interested to see what it is.
Was this
answer
helpful?
Yes
No
+1
Saturday, July 13th, 2019 AT 12:55 PM

Please login or register to post a reply.