Friday, August 13th, 2021 AT 5:53 PM
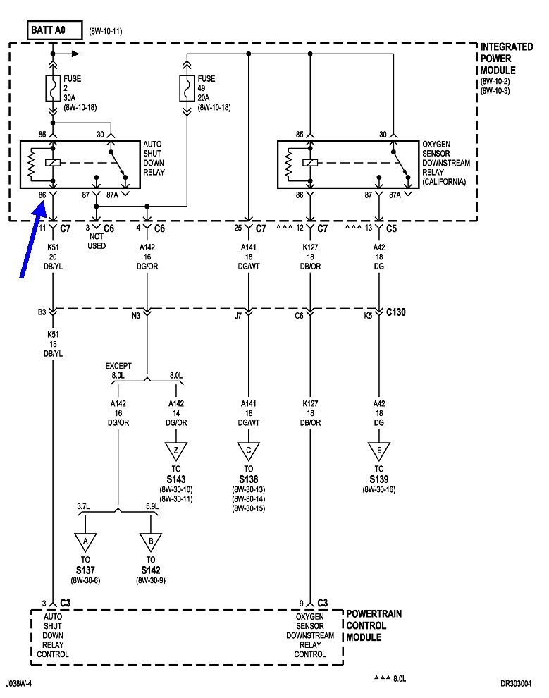
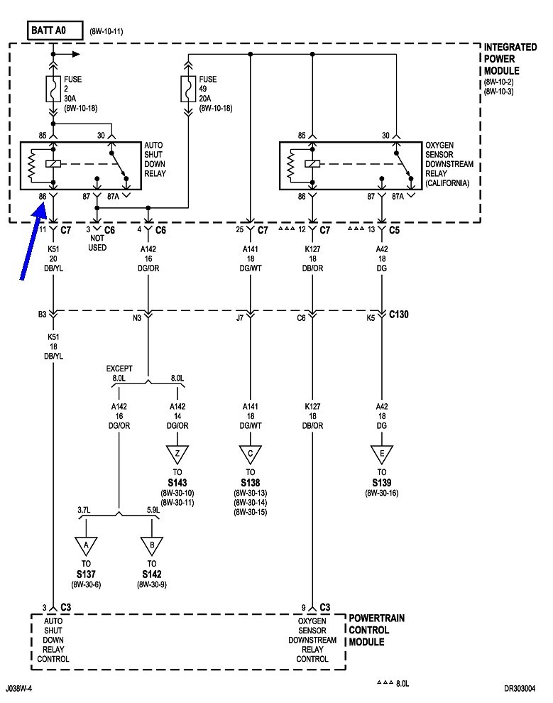
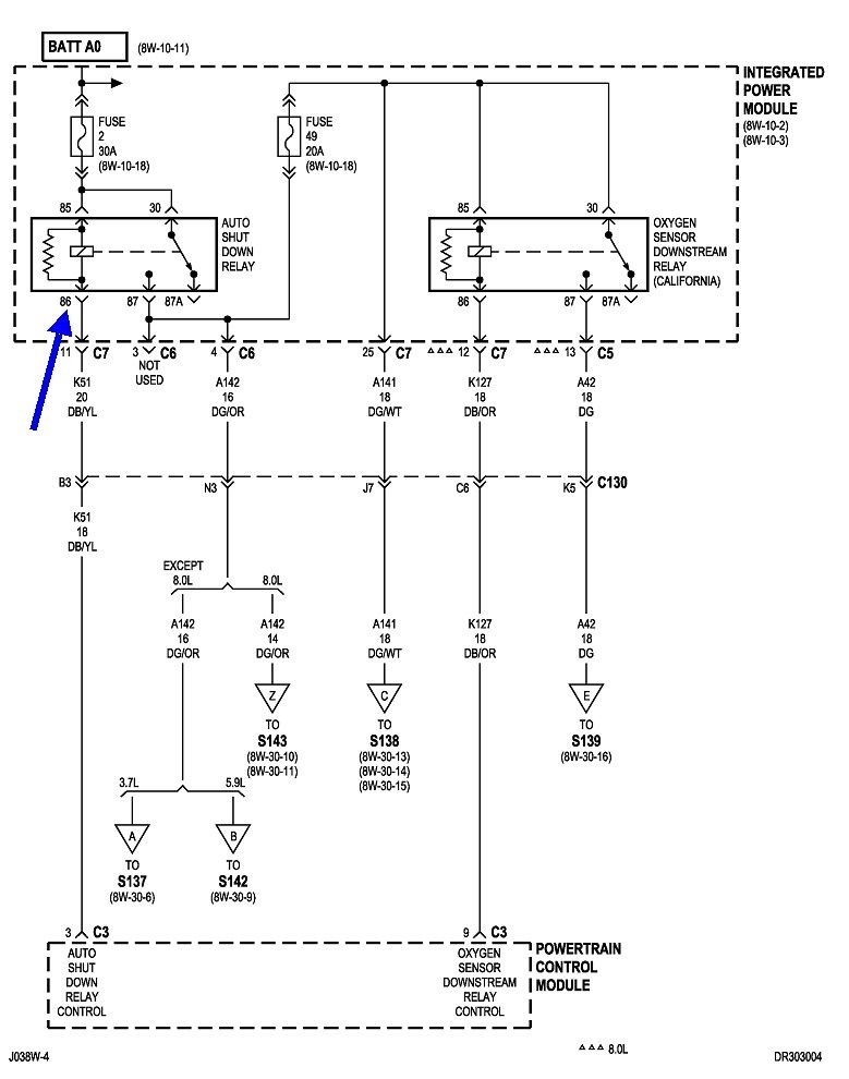
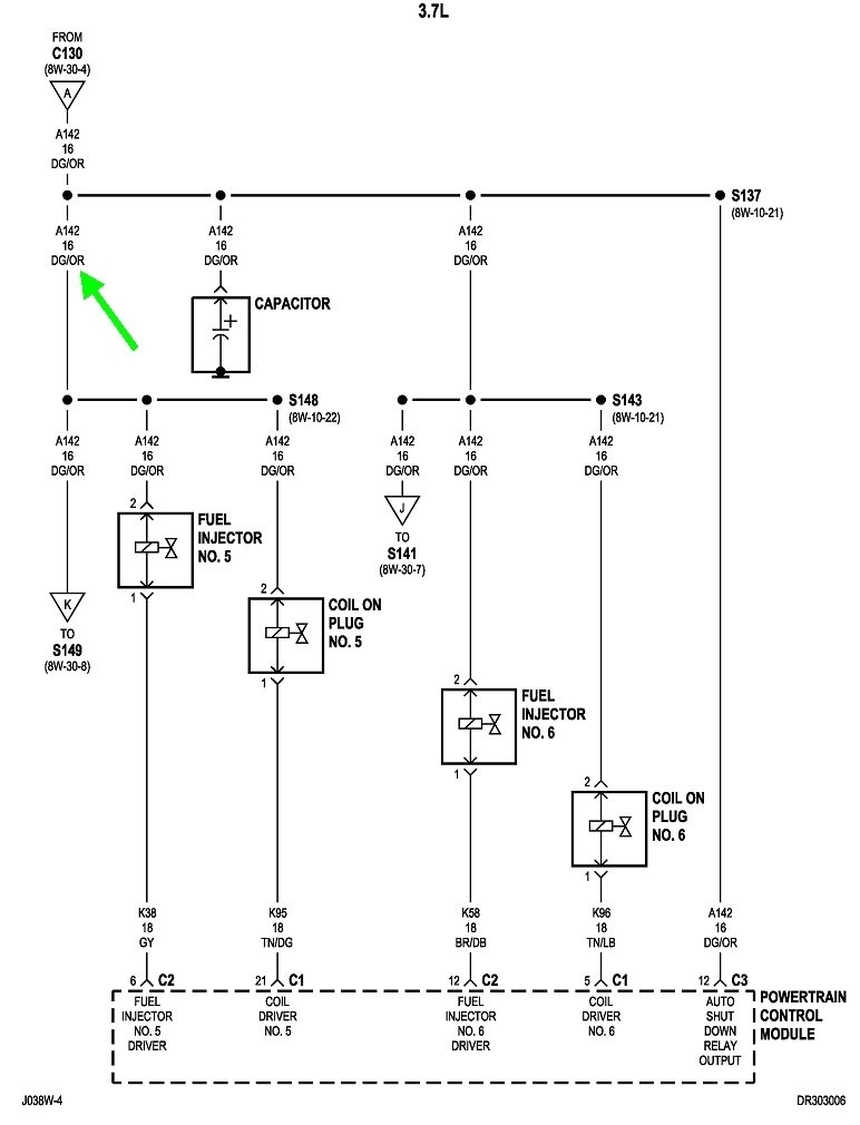
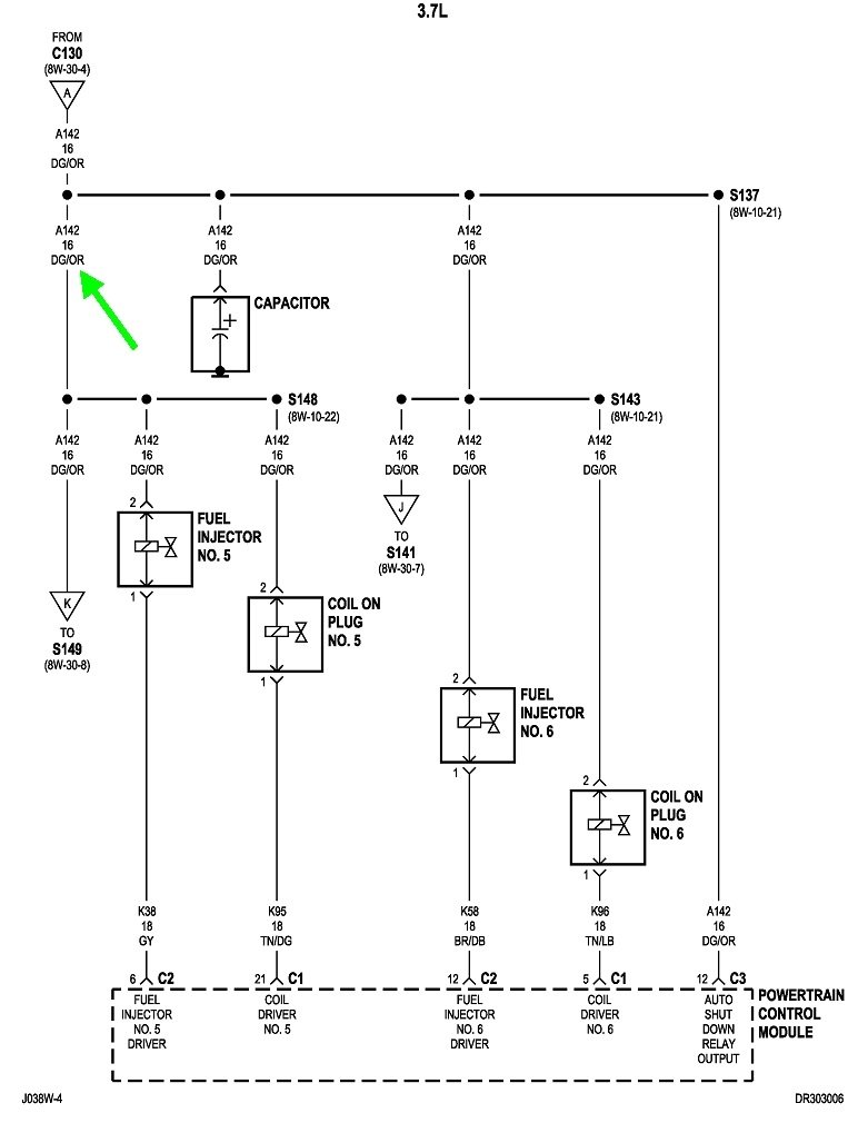
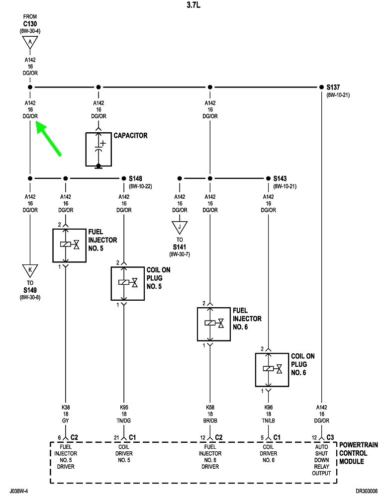
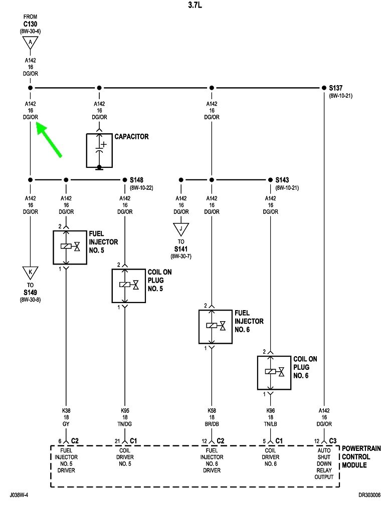
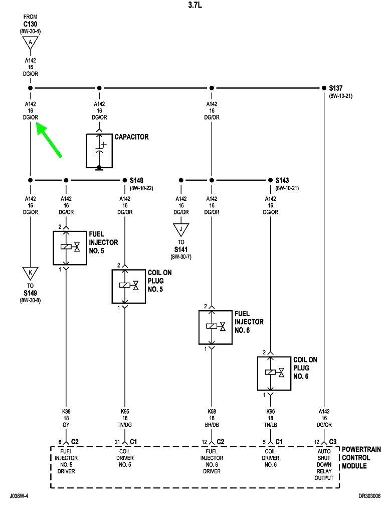
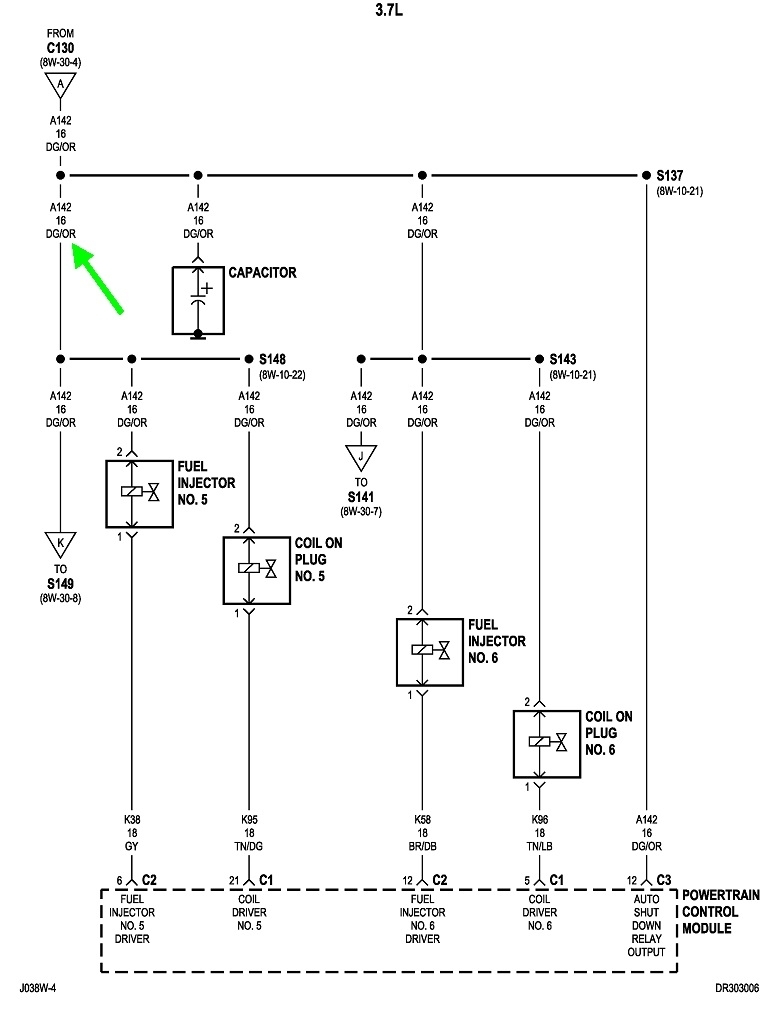
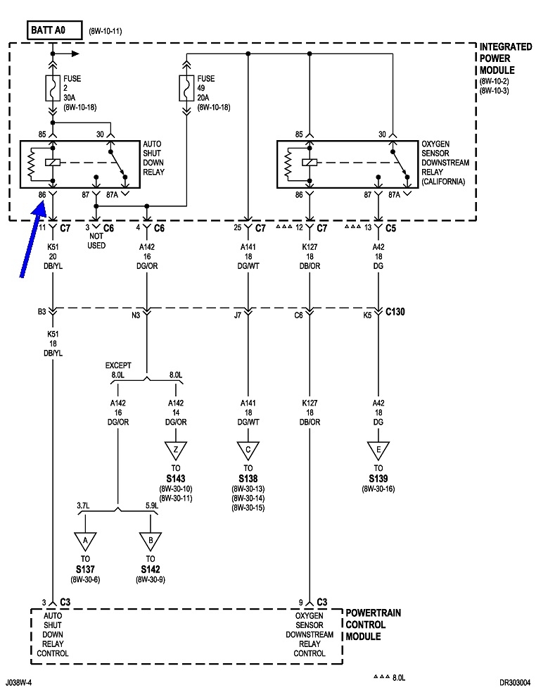
Hello. I have the truck listed above 1500 v6. A while ago my fuel pump was not turning on. I figured out the ASD relay was not supplying ground to initialize the fuel pump. I put a ground wire to pin 86 on the ASD relay, my truck will start and run, now I have a p0353 ignition coil primary control circuit misfire/code. Rough idle, there is a misfire. I've been meaning to fix the ASD relay circuit but to do so I have to find out why the PCM doesn't ground pin 86 on the ASD relay. I believe I need to fix this ASD relay issue then address the p0353 if it still persists. I have no data, I suspect I have an open in either the signal or ground to the ASD from the PCM. I need help with the diagnosis, I need help knowing what to do, what wire(s) to target. Also as far as history on the truck, it ran great never had a problem it was taken to an alignment shop they did something to the steering wheel which I believe resulted in a broken clock spring or it had something catching in the steering wheel then not long later this ASD relay was losing grounding. I suspected bad ignition switch and it was replaced. I am still having the issue. I may replace the steering column but I would really like to ask for help on the diagnosis of ASD relay no PCM supplied ground on pin 86. Thank you and any advice and help/instructions will be followed thoroughly.














