Arcing coil and codes PO303, PO316, PO171and PO174

Tiny
DAVEMALLARY
  • MEMBER
  • 2003 FORD EXPLORER
  • 4.0L
  • 6 CYL
  • 4WD
  • AUTOMATIC
  • 250,000 MILES
I am probably chasing more than one problem with this vehicle. I have located vacuum leaks from the intake.

This question is about the coil. It has a waste spark system. Cylinder 3 is not contributing, but it does have a very strong spark. 1, 2 and 3 all have a spark that will jump over 2 inches. 4, 5 and 6 are significantly less, but still strong. 1, 2 and 3 have an arc inside their towers while the spark plug wires are completely out of range. Spraying water on the coil and wires did not cause a visible or audible. Arc or leak.

Does the arc inside the towers confirm that the coil is bad? I usually don't like replacing parts unless I am sure that it will fix the problem.
Saturday, December 5th, 2020 AT 4:22 PM

1 Reply

Tiny
JACOBANDNICKOLAS
  • MECHANIC
  • 110,192 POSTS
If you have the wires out and it is arcing internally in the spark plug tower, replace the coils. It is finding ground through the plastic housing, so something is likely cracked.

Here are the directions for coil replacement on this vehicle. Just keep in mind, you can cause damage to a coil if there is no plug wire in it simply because there is nowhere to send the power it produces.

The attached pics correlate with the directions.

______________________________

2003 Ford Truck Explorer 4WD V6-4.0L VIN K Flex Fuel
Coil Pack
Vehicle Powertrain Management Ignition System Ignition Coil Service and Repair Procedures Coil Pack
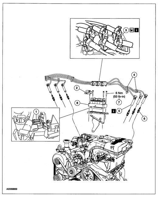
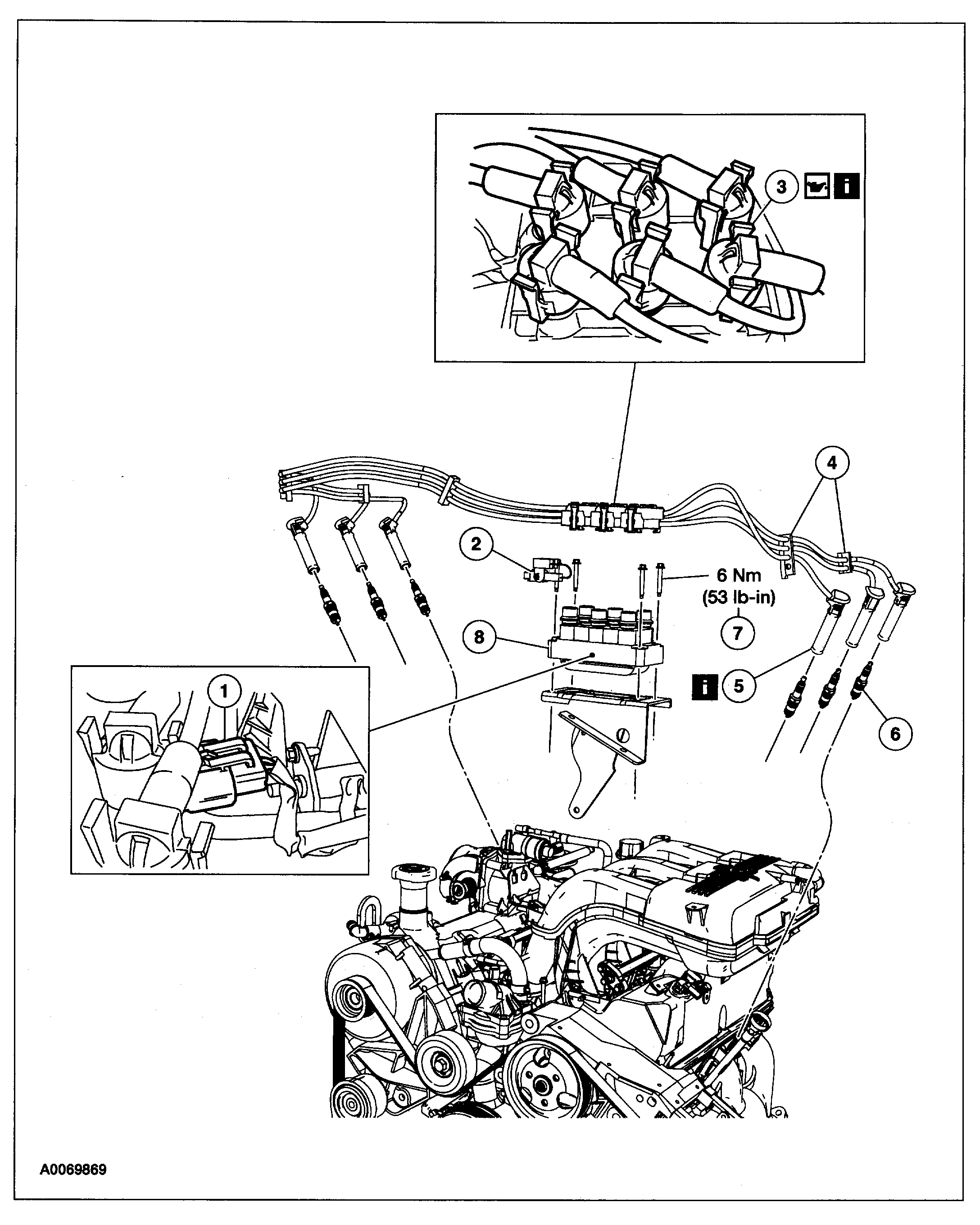
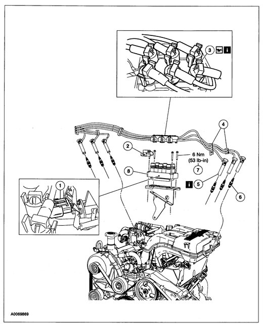
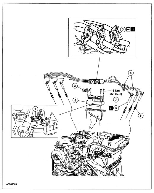
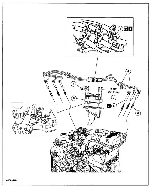
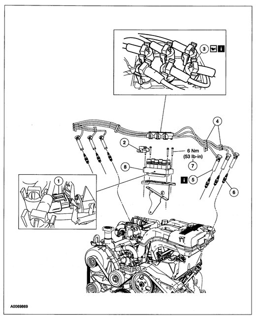
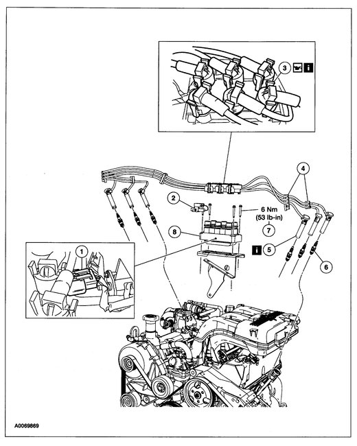
COIL PACK
IGNITION COIL, SPARK PLUG WIRES AND SPARK PLUG

Remover, Spark Plug Wire

pic 1

SPECIAL TOOL(S)

REMOVAL
1. Disconnect the battery ground cable.

Pic 2

Part 1

pic 3

Part 2

pic 4

2. NOTE: Use compressed air to remove any foreign material in the spark plug well before removing the spark plug.

Remove the components in the order listed in the illustration and table. To remove individual components, only carry out the listed steps.

Item 3: Spark Plug Wire Removal Note

1. CAUTION: It is important to twist the spark plug wire boots while pulling upward to avoid possible damage to the spark plug wire.

NOTE: Spark plug wires must be connected to the correct ignition coil terminal. Mark spark plug wire locations before removing them.

Squeeze the locking tabs and twist while pulling upward to disconnect the six spark plug wires.

Item 5: Spark Plug Wire-to-Spark Plug Removal Note

pic 5

1. CAUTION:
- Spark plug wires must be connected correctly. Mark the spark plug wires before removing them.
- It is important to twist the spark plug wire boots while pulling upward to avoid possible damage to the spark plug wire.

With a twisting motion, use the special tool to pull the spark plug wire from the spark plug.

INSTALLATION

1. CAUTION: Make sure the spark plug boots are positioned so the spark plug wires do not contact the exhaust manifold.

NOTE: Apply silicone dielectric compound to the inside of the spark plug wire coil boots and the spark plug.

To install, reverse the removal procedure.

_______________________

Let me know if this helps or if you have other questions.

Take care,
Joe
Was this
answer
helpful?
Yes
No
Saturday, December 5th, 2020 AT 7:14 PM

Please login or register to post a reply.