Anti-theft system preventing vehicle from starting

Tiny
TRACY GRIFFITH
  • MEMBER
  • 2003 JEEP GRAND CHEROKEE
  • 4.0L
  • 6 CYL
  • 2WD
  • AUTOMATIC
  • 200,000 MILES
My vehicle is stuck in anti theft mode and want start. What can I do to get it started?
Monday, September 14th, 2020 AT 1:30 AM

1 Reply

Tiny
4DRTOM
  • MECHANIC
  • 467 POSTS
Hello,

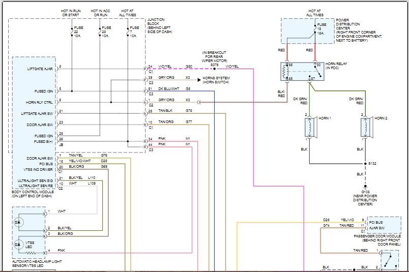
A very common issue with those vehicles is the wring harness in the drivers door jam. The wires in there break usually it starts with the windows not working but the door lock wires run through there also. I would look at that there is a very good chance that you have some open wires in there that are making you anti theft trigger. If you see that all those wires are good let me know a we can go on from there. I attached the anti theft wire diagram as well for you.

Here is the detail description of the system too that might be of assistance to you:

VEHICLE THEFT SECURITY SYSTEM
The Vehicle Theft Security System (VTSS) is designed to provide perimeter protection against unauthorized vehicle use or tampering. The Vehicle Theft Security System (VTSS) is controlled by the Body Control Module, which monitors the vehicle doors, the liftgate, the liftgate flip-up glass, the ignition system and, only on vehicles built for sale in certain international markets where it is required equipment, the hood. If unauthorized vehicle use or tampering is detected, the system responds by sounding the horn, flashing the headlamps, hazard lamps, and the VTSS indicator lamp. The VTSS does not prevent engine operation, this is done with the sentry key immobilizer module. Passive arming occurs upon normal vehicle exit by removing the ignition key, opening the driver door, locking the doors with the power lock, and closing the driver door or locking the doors with RKE. The indicator lamp on the dash will flash for 15 seconds, showing that arming is in progress. If no monitored systems are activated during this period, the system will arm and the indicator will flash at a slower rate. When something triggers the alarm, the system will signal the headlamps, park lamps, and horn for about 18 minutes.

In many markets the VTSS also includes the Sentry Key Immobilizer System (SKIS), which provides passive vehicle protection by preventing the engine from operating unless a valid electronically encoded key is detected in the ignition lock cylinder.

The VTSS includes the following major components, which are described in further detail elsewhere:
- Body Control Module
- Combination Flasher
- Door Ajar Switch
- Driver Cylinder Lock Switch
- Hood Ajar Switch
- Horn Relay
- Liftgate Ajar Switch
- Liftgate Flip-Up Glass Ajar Switch
- Low Beam Headlamp Relay
- VTSS Indicator

Certain functions and features of the VTSS rely upon resources shared with or controlled by other modules in the vehicle over the Programmable Communications Interface (PCI) data bus network. The other modules that may affect VTSS operation are:
- Driver Door Module
- Passenger Door Module

The Vehicle Theft Security System (VTSS) is divided into two basic subsystems: Vehicle Theft Alarm (VTA) and Sentry Key Immobilizer System (SKIS). The following are paragraphs that briefly describe the operation of each of those two subsystems.

A Body Control Module (BCM) is used to control and integrate many of the functions and features included in the Vehicle Theft Security System (VTSS). In the VTSS, the BCM receives inputs indicating the status of the door ajar switches, the driver cylinder lock switch, the ignition switch, the liftgate ajar switches, the liftgate flip-up glass ajar switch, the power lock switches and, in vehicles so equipped, the hood ajar switch. The programming in the BCM allows it to process the information from all of these inputs and send control outputs to energize or de-energize the combination flasher, the horn relay (except vehicles with the premium version of the VTA), and the VTSS indicator. In addition, in vehicles built for certain markets where premium versions of the VTA is required, the BCM also exchanges messages with the Intrusion Transceiver Module (ITM) over the Programmable Communications Interface (PCI) data buss network to provide the features found in this version of the VTA. The control of these inputs and outputs are what constitute all of the features of the VTSS. Following is information on the operation of each of the VTSS features.

Enabling
The BCM must have the VTSS function enabled in order for the VTSS to perform as designed. The logic in the BCM keeps its VTSS function dormant until it is enabled using a DRB III scan tool. Refer to the appropriate diagnostic information.

Pre-Arming
The VTA has a pre-arming sequence. Pre-arming occurs when a door, the tailgate, or the flip-up glass is open when the vehicle is locked using a power lock switch, or when the "Lock" button on the Remote Keyless Entry (RKE) transmitter is depressed. The powerlock switch will not initiate the pre-arming sequence if the key is in the ignition switch. When the VTA is pre-armed, the arming sequence is delayed until all of the doors, the tailgate and the flip-up glass are closed.

Arming
Passive arming of the VTSS occurs when the vehicle is exited with the key removed from the ignition switch, the headlamps are turned off, and the doors are locked while they are open using the power lock switch. The power lock switch will not function if the key is in the ignition switch or the headlamps are turned ON with the driver side front door open. The VTSS will not arm if the driver side front door is locked using the key in the lock cylinder or using the mechanical lock button.

Active arming of the VTSS occurs when the "Lock" button on the Remote Keyless Entry (RKE) transmitter is depressed to lock the vehicle, even if the doors and/or the liftgate are open when the RKE transmitter Lock button is depressed. However, the VTSS arming will not be complete until all of the doors, the liftgate and the liftgate flip-up glass are closed. On vehicles equipped with the hood ajar switch, VTSS arming will complete if the hood is open, but the underhood area will not be protected unless the hood is closed when the VTSS is armed.

Following successful passive or active VTSS arming, the VTSS indicator on the top of the instrument panel will flash rapidly for about 16 seconds after the illuminated entry system times out. This indicates that VTSS arming is in progress. Once the sixteen second arming function is successfully completed, the indicator will flash at a slower rate, indicating that the VTSS is armed.

Manual Override
The system will not arm if the doors are locked using the manual lock control or if the locks are actuated by an inside occupant after the doors are closed.

To verify the system, proceed as follows:
1. Open the driver's door.
2. Remove the ignition key (but keep it in hand).
3. Lock the doors with the power lock switch or the RKE.
4. Close the driver's door.

NOTE:
- After the doors are closed, locking the doors with RKE will also arm the system.
- If the VTSS indicator lamp flashed, the system is operational and verified. If not, there may be a problem with the system.

Disarming
Passive disarming of the VTSS occurs when the vehicle is unlocked using the key to unlock the driver side front door. Active disarming of the VTSS occurs when the vehicle is unlocked by depressing the "Unlock" button of the Remote Keyless Entry (RKE) transmitter. Once the alarm has been activated, either disarming method will also deactivate the alarm. Depressing the "Panic" button on the RKE transmitter will also disarm the VTSS, but the horn will continue to pulse and the exterior lamps will continue to flash for about three minutes as part of the Panic feature function. The Panic feature is overridden if the "Panic" button is depressed a second time, or if a vehicle speed of about 24 km/h (15 mph) is attained.

Power-Up Mode
When the armed VTSS senses that the battery has been disconnected and reconnected, it enters its power-up mode. In the power-up mode the alarm system remains armed following a battery failure or disconnect. If the VTSS was armed prior to a battery disconnect or failure, the technician or vehicle operator will have to actively or passively disarm the alarm system after the battery is reconnected. The power-up mode will also apply if the battery goes dead while the system is armed, and battery jump-starting is then attempted. The VTSS will be armed until it is actively or passively disarmed. If the VTSS is in the disarmed mode prior to a battery disconnect or failure, it will remain disarmed after the battery is reconnected or replaced, or if jump-starting is attempted.

Alarm
The VTA alarm output varies by the version of the VTA with which the vehicle is equipped. In all cases, the alarm provides both visual and audible outputs; however, the time intervals of these outputs vary by the requirements of the market for which the vehicle is manufactured. In all cases, the visual output will be a flashing of the exterior lamps. For vehicles equipped with North American or the base version of the VTA, the audible output will be the pulsing of the horn. For vehicles with the premium version of the VTA, the audible output will be the cycling of the siren. The inputs that will trigger the alarm include the door ajar switch, the flip-up glass ajar switch, and in vehicles built for certain markets where they are required, the hood ajar switch and the Intrusion Transceiver Module (ITM).

Tamper Alert
The VTSS tamper alert feature will sound the horn (or the alarm siren for the premium version) three times upon VTA disarming, if the alarm was triggered and has since timed-out (about 18 minutes). This feature alerts the vehicle operator that the VTA alarm was activated while the vehicle was unattended.

Intrusion Alarm
The Intrusion Alarm is an exclusive feature of the premium version of the VTA, which is only available in certain markets, where it is required. When the VTA is armed, a motion sensor in the Intrusion Transceiver Module (ITM) monitors the interior of the vehicle for movement. If motion is detected, the ITM sends a message to the BCM over the PCI bus to invoke the visual alarm feature, and sends a message to the alarm siren over a dedicated serial bus to invoke the audible alarm feature. The motion detection feature of the ITM can be disabled by depressing the "Lock" button on the RKE transmitter three times or cycling the key in the driver door cylinder from the center to lock position within 15 seconds during VTA arming, while the security indicator is still flashing rapidly. The VTA provides a single short siren "chirp" as an audible conformation that the motion detect disable request has been received. The ITM must be electronically enabled in order for the intrusion alarm to perform as designed. The intrusion alarm function of the ITM is enabled on vehicles equipped with this option at the factory, but a service replacement ITM must be configured and enabled by the dealer using the DRB III scan tool. Refer to the appropriate diagnostic information.
Tom
Was this
answer
helpful?
Yes
No
Monday, September 14th, 2020 AT 8:56 AM

Please login or register to post a reply.