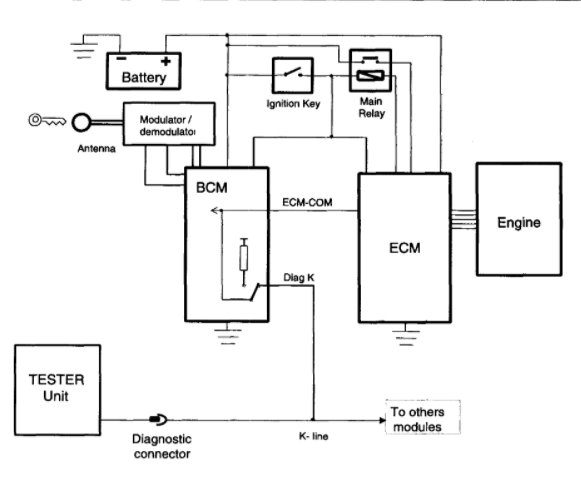
Saturday, October 10th, 2020 AT 3:48 PM
I was driving down the highway. The car started to cut out and then quit running. I pulled over but it would not restart. I had it towed the next day. Since then I have replaced the fuel pump which you can hear click when key is turned on. But there is still no fuel pressure getting to the engine. It is displaying a code for the immobilization feature and the fuel temperature sensor. The immobilization will cause it to not start, which it wont, and no one can give me a way to reset the system. I don't have a key fob. Only 2 chipped keys. One for the door and one for the ignition. It will crank but not start. We have unhooked the battery and tried just to keep it running but it still just cranking over then shutting off. Fuel pump relay? Anti theft system? CPS? ECU? The only code its throwing out is the immobilization. And I don't know how to disable that.


