Thursday, January 11th, 2018 AT 7:03 AM
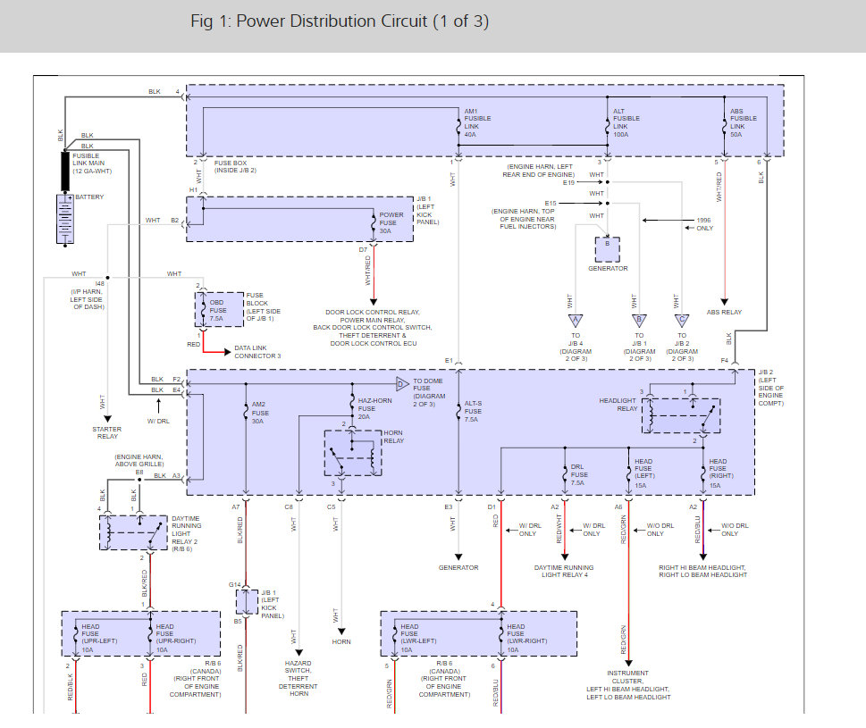
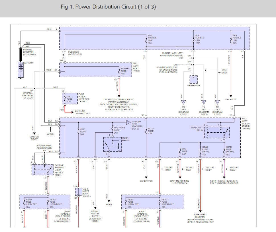
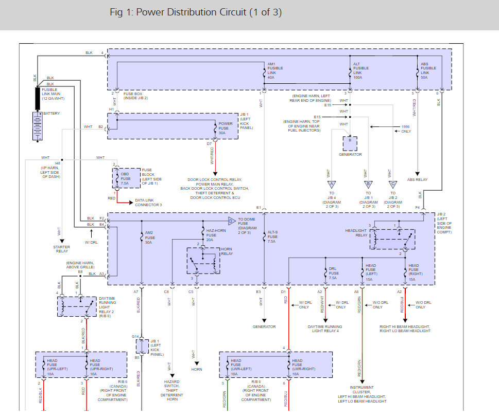
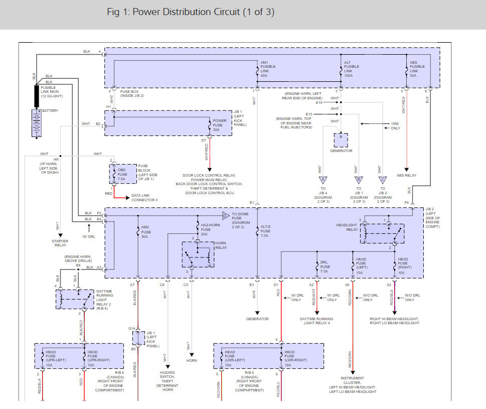
My battery light and engine light does not go on. Every time I switch on ignition am2 fuse blows. Everything works, lights, indicators, reverse lights, brakes. I drove thirteen km when I tried to start again no battery or engine light.




