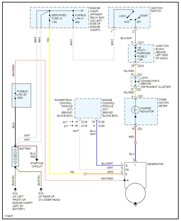
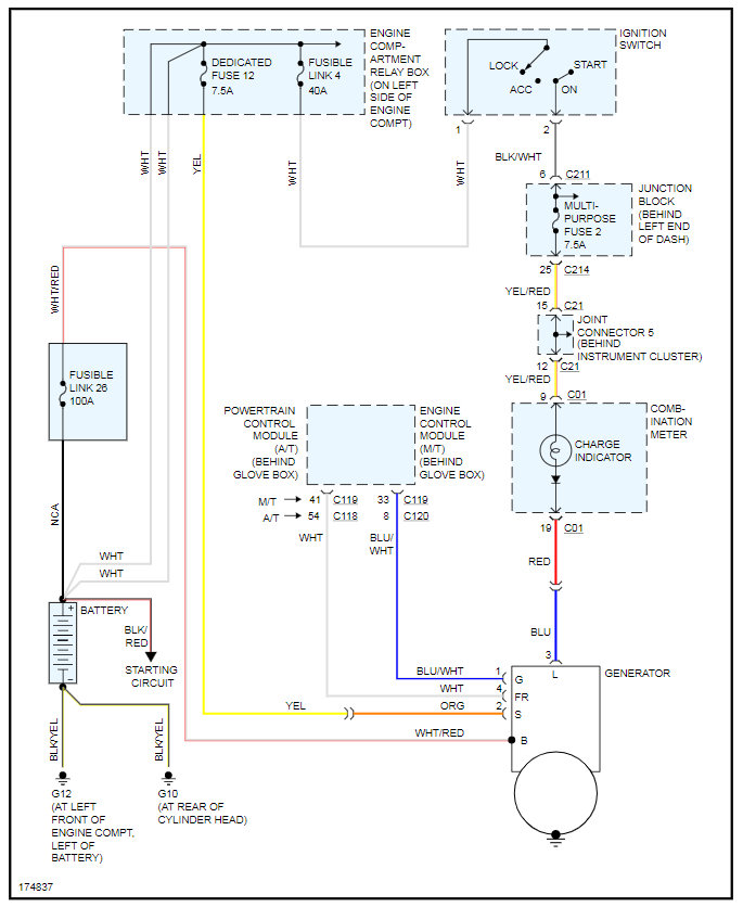
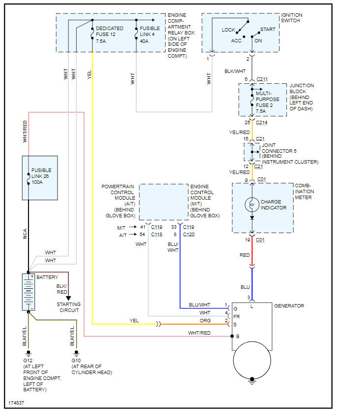
So, I cut the alternator plug wire to where I could see all 4 wires from inside the black cable. I then went on eBay and ordered a new 2003 lancer alternator plug.
My question is, when my new alternator plug gets here, can I attach each wire to the correct wire and then wrap it with either electrical tape or heat shrink and then plug it in and will it work?
I need to do this myself because I can NOT afford to pay for it to get done. Thank u so much
Tuesday, October 27th, 2020 AT 4:15 PM



