Wednesday, November 20th, 2013 AT 2:13 PM
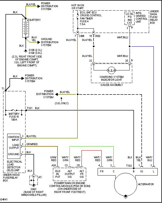
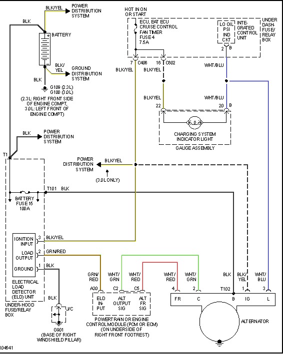
I change the alternator and it still not charging took the alternator off and had it tested it test good so I checked the fuseable linkage it's good do you think it could be the ECM and if so where do I look to get the number off of the ECM or which number


