Alternator not charging

Tiny
MARK JOSEPH
  • MEMBER
  • 2004 CHEVROLET SUBURBAN
  • 5.3L
  • V8
  • 200,000 MILES
Battery not being charged. Power at battery plus alternator side. No power on three excited wires. What's proper procedure for checking system? Unable to locate alt. Fuse or relay. Due to no information. Computer controlled alternator 145 amp alternator.
Sunday, January 6th, 2019 AT 10:57 PM

1 Reply

Tiny
ASEMASTER6371
  • MECHANIC
  • 52,796 POSTS
Good morning,

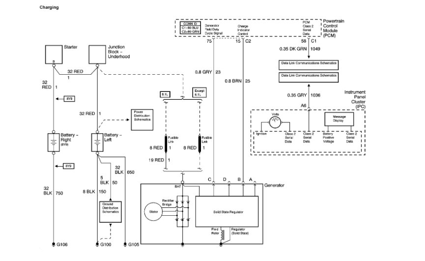
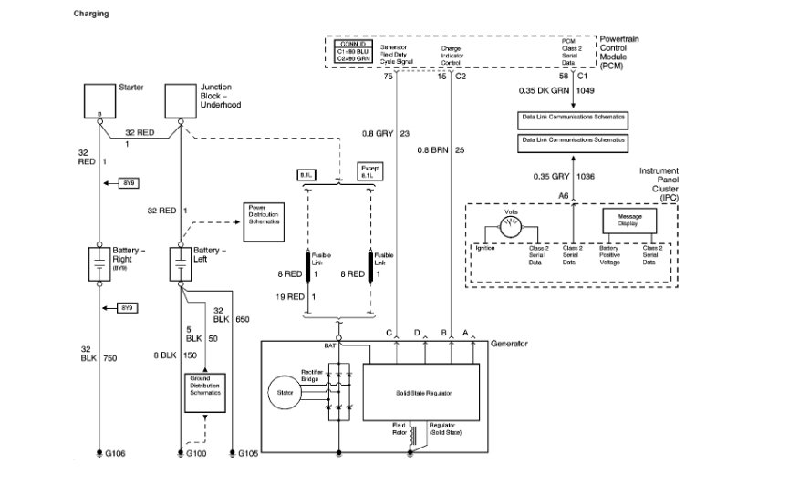
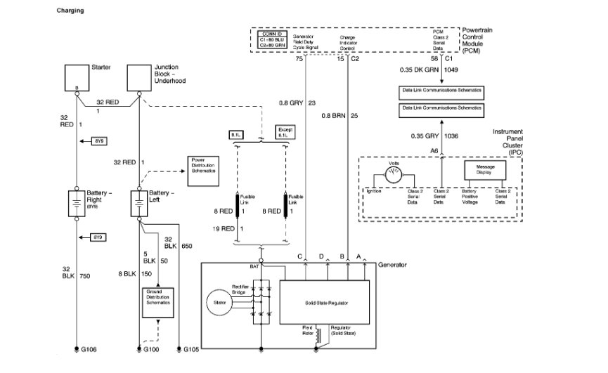
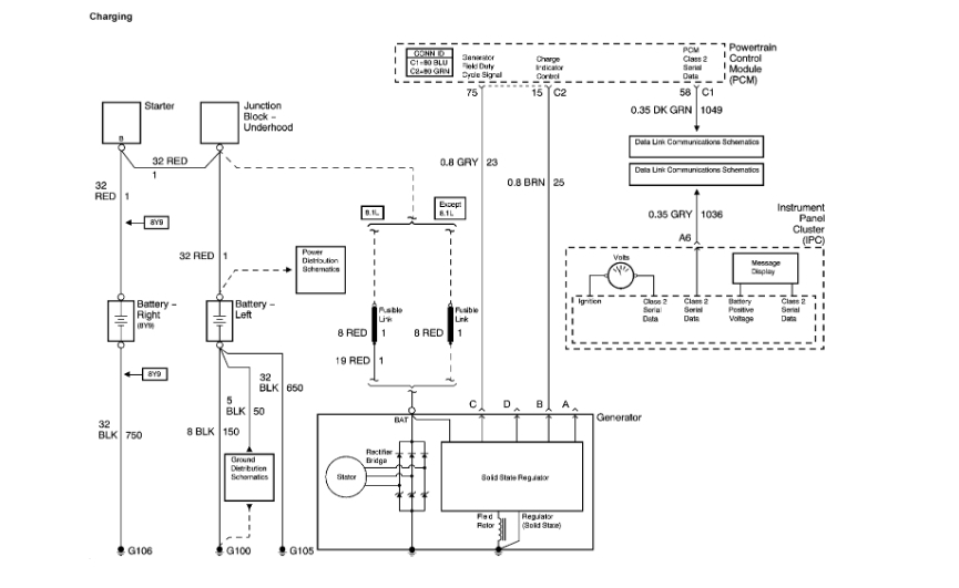
I attached a wire diagram for you to view.

What is the voltage at the battery with the engine running? the PCM does control turning the alternator on and off to maintain the battery charge.

https://www.2carpros.com/articles/how-to-check-a-car-alternator

do either of the little wires at the alternator have any power with the engine running?

Roy

CHARGING SYSTEM DESCRIPTION AND OPERATION

GENERATOR
The AD-230 and AD-244 generators are non-repairable. They are electrically similar to earlier models. The generators feature the following major components:
- The delta stator
- The rectifier bridge
- The rotor with slip rings and brushes
- A conventional pulley
- Dual internal fans
- A voltage regulator

The pulley and the fan cool the slip ring and the frame.

The AD stands for Air-cooled Dual internal fan; the 2 is an electrical design designator; the 30/44 denotes the outside diameter of the stator laminations in millimeters, over 100 millimeters. The generators is rated at 102 and 130 amperes respectively.

The generator features permanently lubricated bearings. Service should only include the tightening of mounting components. Otherwise, the generator is replaced as a complete unit.

REGULATOR
The voltage regulator controls the field current of the rotor in order to limit system voltage. The regulator switches the current on and off at a rate of 400 cycles per second in order to perform the following functions:
- Radio noise control
- Obtain the correct average current needed for proper system voltage control

At high speeds, the on-time may be 10 percent with the off-time at 90 percent. At low speeds, the on-time may be 90 percent and the off-time 10 percent.

CHARGING SYSTEM INDICATOR
The IPC illuminates the charge indicator in the message center when the following occurs:
- The PCM detects that the generator output is less than 11 volts or greater than 16 volts. The IPC receives a class 2 message from the PCM requesting illumination.
- The IPC determines that the system voltage is less than 11 volts or greater than 16 volts. The IPC receives a class 2 message from the body control module (BCM) indicating the system voltage.
- The IPC performs the displays test at the start of each ignition cycle. The indicator illuminates for approximately 3 seconds.
- The ignition is on, with the engine off.
Was this
answer
helpful?
Yes
No
Monday, April 19th, 2021 AT 10:44 AM

Please login or register to post a reply.