Alternator wiring diagram?

Tiny
LENZY ALBERT
  • MEMBER
  • 1999 LINCOLN TOWN CAR
  • 4.6L
  • V8
  • RWD
  • AUTOMATIC
  • 12,000 MILES
Car came with two wires hook up for alternator. I cannot find the connector only can find a three wire connector. I do not know how to hook it up.
Thursday, September 28th, 2017 AT 6:38 AM

1 Reply

Tiny
KASEKENNY
  • MECHANIC
  • 18,907 POSTS
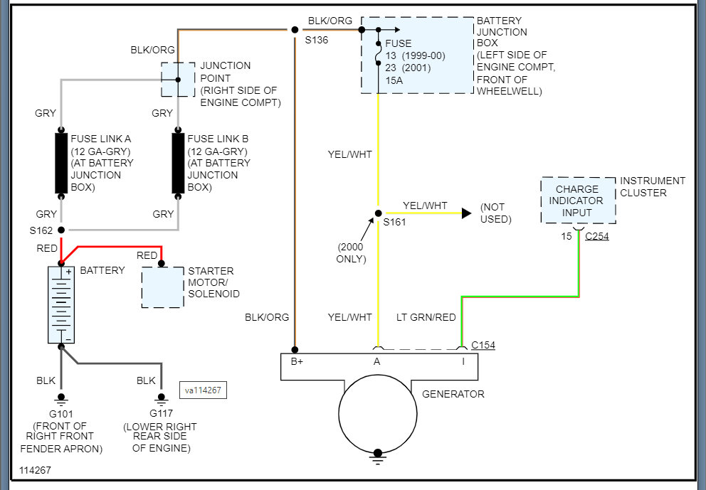
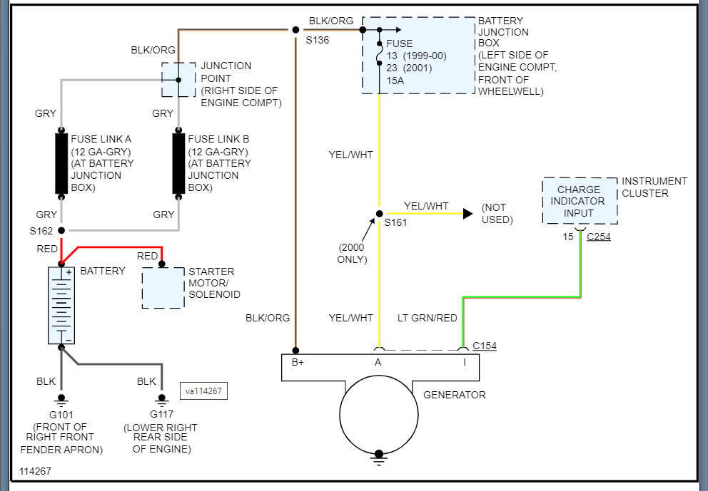
Your alternator is only going to have 2 wires in the connector and then the B+ wire will have a stud and nut holding the wire on.

I am attaching the wiring diagram below that will help with this.

https://www.2carpros.com/articles/how-to-replace-an-alternator

I am also attaching the process to replace the alternator that will show on page 4 there is a connector and then a wire with a stud and nut. That is the B+ wire and the connector will have 2 wires in it.

Please let us know what you find with this and if you have other questions. Thanks
Was this
answer
helpful?
Yes
No
-1
Sunday, December 5th, 2021 AT 4:42 PM

Please login or register to post a reply.