Monday, June 22nd, 2020 AT 9:18 PM
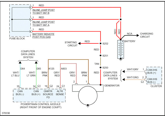
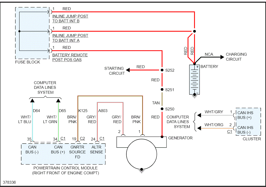
Hi. I had a lightning bolt symbol go on in my vehicle listed above Grand Cherokee. Shortly after all the gauge cluster went wacky. Started getting a bunch of codes popping up randomly and even the wipers cycled once then the vehicle shut off as I was leaving my driveway. I took out the battery then charged it properly, took it to Napa and after being tested they said it was still good (700cca tested around 660cca). I took it back home and put it in my vehicle and the lightning bolt symbol went away but was followed by a battery symbol. The vehicle did start but the light remained so I put my battery charger on it and tested the alternator which showed to be bad (160amp alt). So I purchased an upgraded alt (240 amp) and installed it. Jeep started but still got the battery light so I ran a voltage test with my charger and it wasn't charging. I took the old alt at this point to Napa to see if it was something to do with my alt. The old alternator tested fine. I used a test light on the output side of the new installed alternator and got ( no light) which told me the alt was fine but wasn't getting input signal voltage. So I started tracing the wire up the front of the engine and noticed it was burned. After unraveling the tape and wire loom I noticed the fusible link was burned. I cut all the bad link out and jumped a ( heavy gauge) wire across where the fusible link once was and started the vehicle and ran a voltage and alt test. Everything tested fine this time around so here is where my concern starts. After turning off the vehicle I felt the jumper and other pieces of cable it was temporarily attached to and they were all very warm to the touch( not hot but very warm) I only had the vehicle running a couple minutes to run the voltage and alternator test. So my question is, can I just run another fusible link in that place where the other burned? And if so what type am I looking at getting? Also it worries me that the wires where the fusible link had previously blown are getting very warm. So my next question is, could there be an underlying problem that caused the link to blow in the first place? Everything thus far in the vehicle is stock and no wiring has changed or been modified. The radio is stock as well or can I just replace the fusible link, heat shrink it and put electrical tape and the wire loom back on and go about my life or should I be looking for something else? Thanks for your time and sorry for the long novel, I just wanted to be sure you had all the info leading to my problem. Thanks again.











