Alternator not charging the battery

Tiny
TONY SHAW
  • MEMBER
  • 1995 NISSAN FRONTIER
  • 2.4L
  • 4 CYL
  • 2WD
  • MANUAL
  • 280,000 MILES
I have replaced both the alternator and battery and it still won't charge the battery.
Thursday, September 3rd, 2020 AT 7:59 AM

1 Reply

Tiny
FREEMBA
  • MECHANIC
  • 1,152 POSTS
Check and clean both battery cables at the battery and where they connect at the starter and ground.
Check your ignition and charging fuses.
Use a test light to check the fusible link at the battery.

https://www.2carpros.com/articles/how-to-use-a-test-light-circuit-tester

Does your charging system/battery light come on when you turn the ignition on?
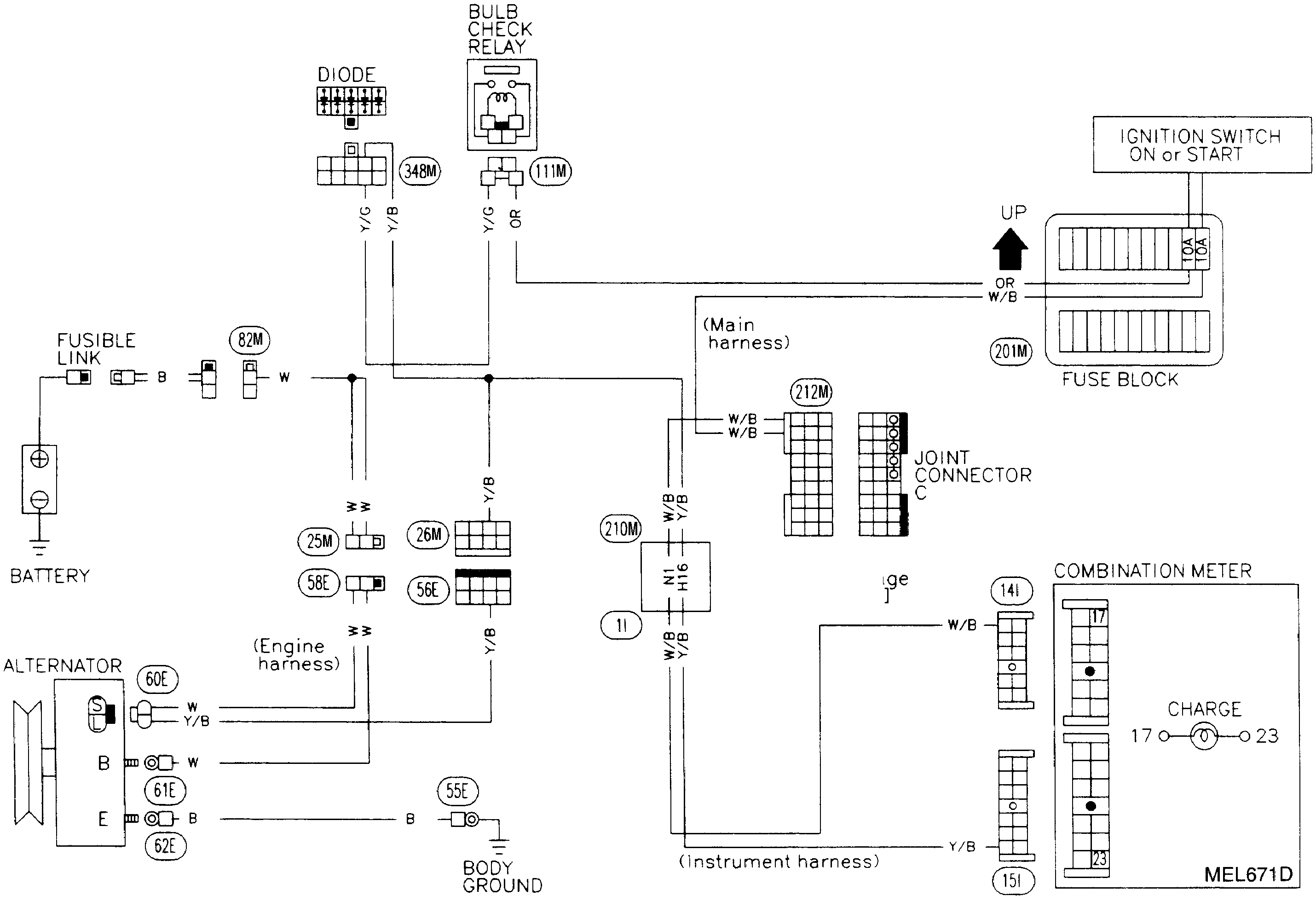
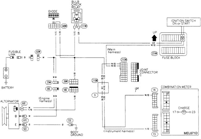
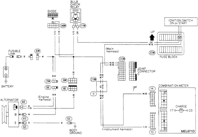
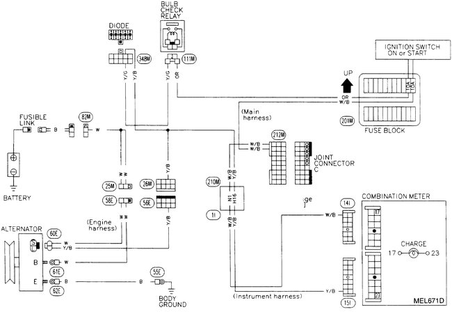
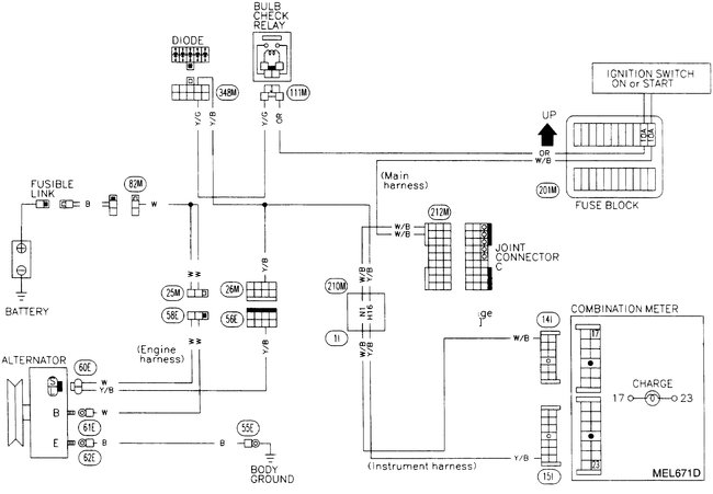
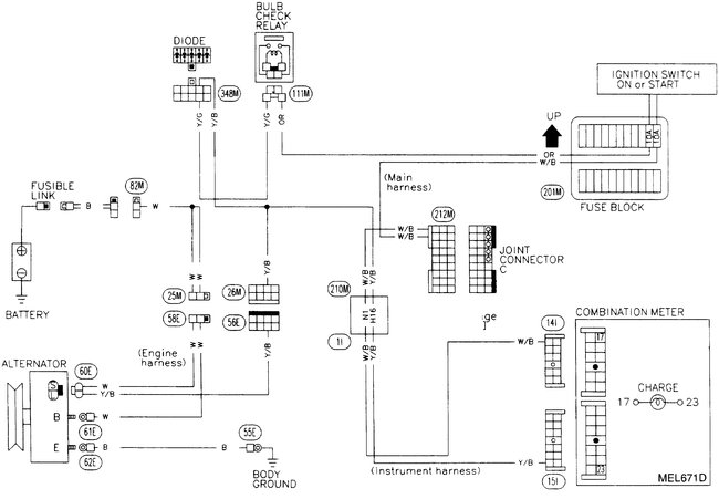
(Reason I asked is because there is a diode which sits on top of the fuse box [under dash on the driver's side]. That diode can be checked using a test light. It should allow current to flow in one direction but not in the opposite direction, anything other that this would indicate a bad diode) Included is a diagram of where the diode is located. It is marked as number 348M.
Was this
answer
helpful?
Yes
No
Thursday, September 3rd, 2020 AT 9:21 AM

Please login or register to post a reply.