Alternator connector

2001 OLDSMOBILE AURORA
185,000 MILES • 4.0L • V8 • 2WD • AUTOMATIC
Avatar
RON JAMES ASBY
  • MEMBER
  • 1 POST
I got a new wiring harness for my alternator because the old connector was melted into my alternator. The problem is the new connector didn't come color coated. Not sure where to start.
Nov 2, 2020 at 1:24 PM
Advertisement
Repair Safety Notice: This information is for general instructional purposes only. Vehicle repair can be dangerous. Verify all information, follow manufacturer service procedures, use proper tools and safety equipment, and consult a qualified repair shop when needed.
Avatar
KASEKENNY
  • AUTOMOTIVE REPAIR CONTRIBUTOR
  • 18,907 POSTS
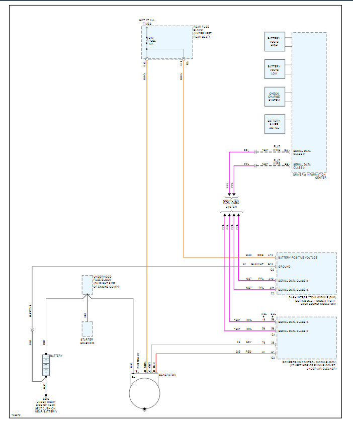
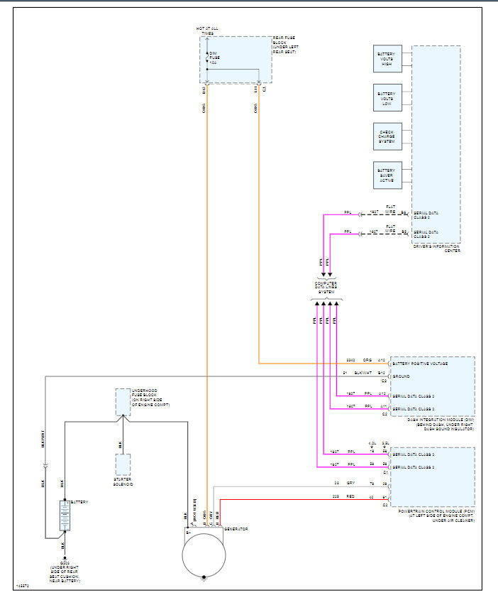
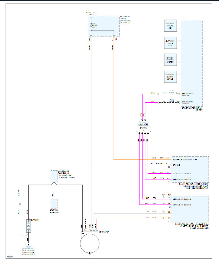
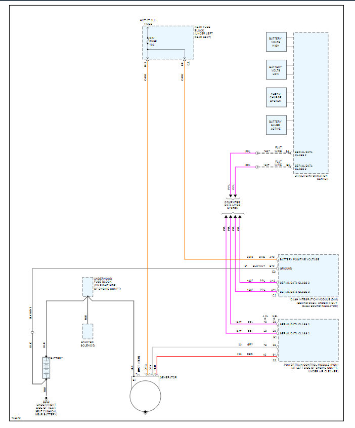
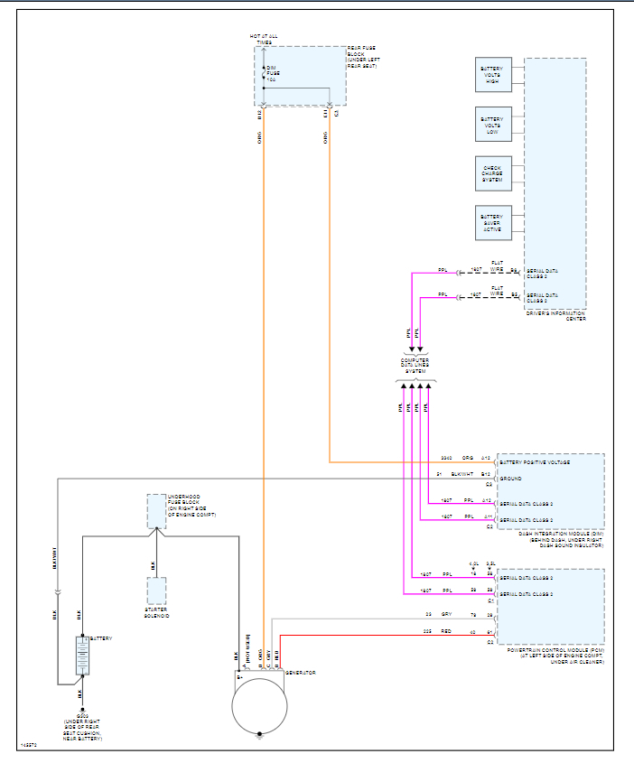
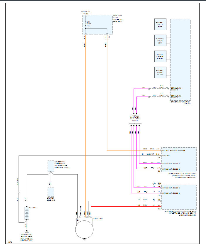
Here is the wiring diagram of the alternator. You should have a connector with 4 wires, and 1 is not used. So you need to use B,C,D and then the Black wire should have its own connection point.

Let me know if you still have questions and if so, can you get a picture of the connector and we will figure out which wire goes where? Thanks
Nov 2, 2020 at 1:42 PM