Tuesday, June 28th, 2016 AT 11:23 AM
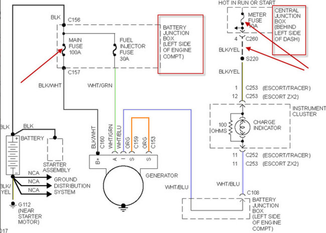
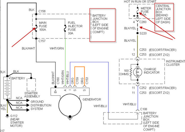
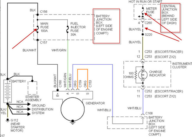
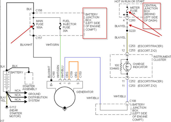
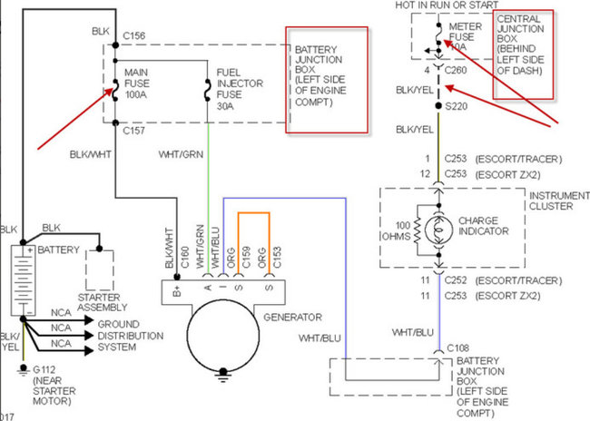
My alternator went out. Bought new one and installed it. Ran for a day then 30 amp fuel injector fuse blew out. Replaced it car ran, but new alternator went bad. Had alternator checked it was bad. Had a new alternator checked before installing was good. Also had battery checked. They said it was bad so I bought new battery. Before installing battery put in new alternator then connected battery. Started car fuel injector 30 amp blows. Replaced fuse. Car started but charge light was on. Took new alternator off had it checked showed bad. Same alternator they checked before I bought it. So alternator still under warranty. Just taped off wires to alternator without installing it. Car started fine and drove. Why would alternator keep going out immediately when car is started?




