Saturday, December 28th, 2019 AT 12:09 PM
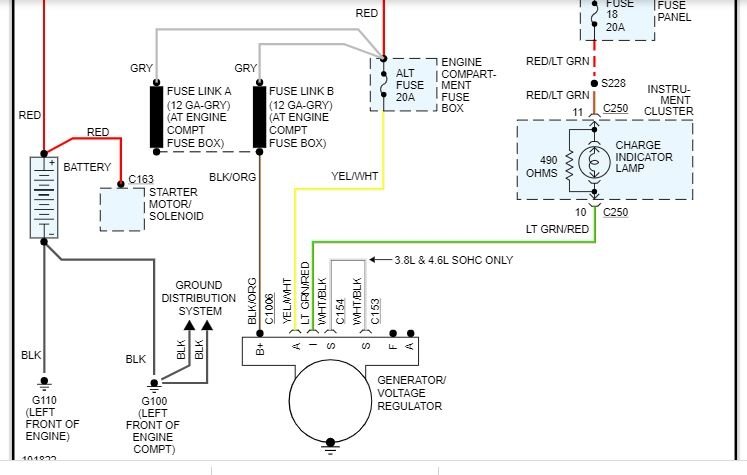
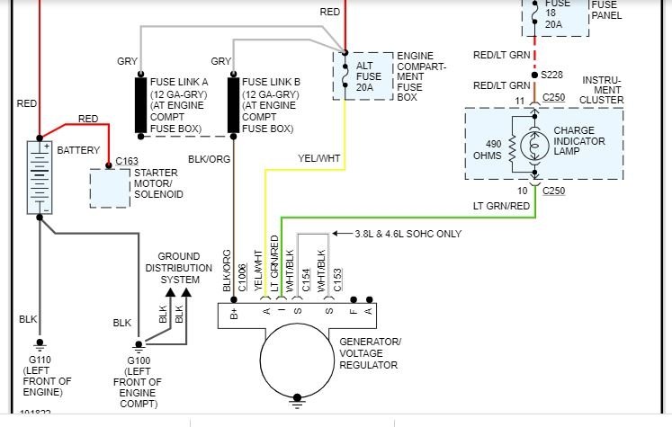
Battery light came on one day. About a week later it shut off on the way to work. Found the alternator fuse blown. Replaced the alt thinking it was inside the regulator. Also changed out the starter and battery. Fuse blew again. It blows at different times so hard to tell what’s going on. Please help





