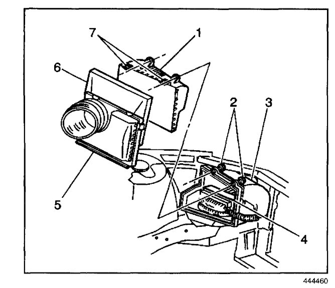
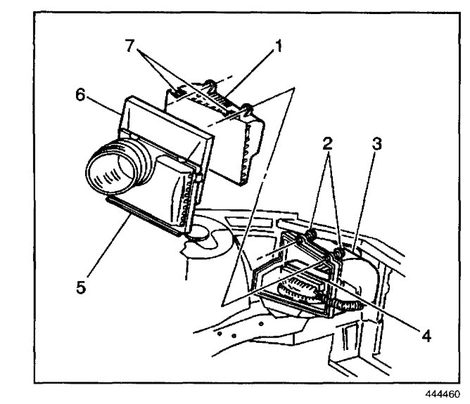
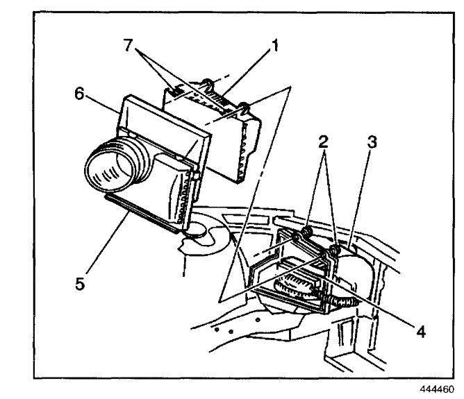
Air filter location

1999 BUICK REGAL
118,000 MILES • 3.8L • V6 • 4WD • AUTOMATIC
Avatar
PCULQUI
  • MEMBER
  • 354 POSTS
Where is my air filter and how do I replace it? How to glue down the rubber gasket so it doesn't leak inside the passenger floor?
May 6, 2019 at 9:44 AM
Advertisement
Repair Safety Notice: This information is for general instructional purposes only. Vehicle repair can be dangerous. Verify all information, follow manufacturer service procedures, use proper tools and safety equipment, and consult a qualified repair shop when needed.
Avatar
ASEMASTER6371
  • AUTOMOTIVE REPAIR CONTRIBUTOR
  • 52,796 POSTS
Good afternoon,

Not sure if you meant the air filter for the engine or the air conditioner. I attached the location of both for you to view. Check out the diagrams (Below). Please let us know if you need anything else to get the problem fixed.

Roy
May 6, 2019 at 10:47 AM