HOME
ASK A QUESTION
REPAIR GUIDES
BECOME A MEMBER
LOG IN
Login with Facebook
OR
Remember me
NOT A MEMBER?
FORGOT PASSWORD?
CONTACT US
PRIVACY POLICY
TERMS AND CONDITIONS
☰
Home
Chrysler
300
Engine
Air Filter
Housing
Air filter box
DADDYA
MEMBER
2006 CHRYSLER 300
3.5L
6 CYL
2WD
120,345 MILES
Instructions on removal.
Wednesday, May 24th, 2017 AT 5:13 PM
3 Replies
JIS001
MECHANIC
3,412 POSTS
Why do you want to remove the air filter box?
Was this
answer
helpful?
Yes
No
-1
Wednesday, May 24th, 2017 AT 11:16 PM
DADDYA
MEMBER
29 POSTS
I'm going to install a new AC Compressor and was told that the air filter box had to be removed. Is there another way?
Was this
answer
helpful?
Yes
No
Thursday, May 25th, 2017 AT 3:21 AM
JIS001
MECHANIC
3,412 POSTS
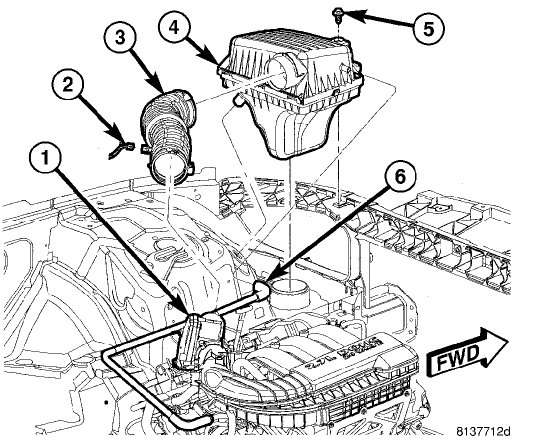
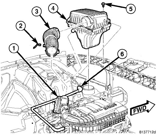
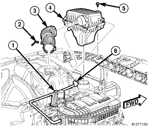
Remove the bolt as shown on image #5. After disconnecting all components on image pull the box out. Hope that helps.
Image (Click to make bigger)
Was this
answer
helpful?
Yes
No
Thursday, May 25th, 2017 AT 10:52 PM
Please
login
or
register
to post a reply.
Related Air Filter Housing Content
1999 Chrysler 300 Can't Remove Air Filter To Change...
1999 Chrysler 300 I Have Been Trying For Hours To Remove The Air Filter Housing So That I Can Change The Battery. There Is A Pin...
Asked by
larrytedman
·
2 ANSWERS
1999
CHRYSLER 300
2005 Chrysler 300 2.7 Ltr Is Getting 13 - 16.5 Miles...
? My 2005 Chrysler 300 2.7ltr Moh 24v Dohc Has 27,000 Miles On It. I Have Been On Top Of Maintenance From The Start. 1. Oil Is Changed...
Asked by
chrysler300guy
·
3 ANSWERS
2005
CHRYSLER 300
2006 Chrysler 300 Oil Change
I'm Usually Very Good At Maintaining My Own Vehicles But I'm Playing Hell Just Trying To Find The Oil Fiter. Where Is It On This Vehicle?...
Asked by
20jets
·
3 ANSWERS
2006
CHRYSLER 300
2006 Chrysler 300
2006 Chrysler 300 6 Cyl Four Wheel Drive 48000 Miles I'll Like To Know What Is Egr Flow Sensor And The Knock Senson
Asked by
hector melgoza
·
1 ANSWER
2006
CHRYSLER 300
2006 Chrysler 300 Water In The Engine
Engine Mechanical Problem 2006 Chrysler 300 6 Cyl I Recently Inspected My 300c Which I Was Told Had A Crack In The Engine Due To Water...
Asked by
mike riley
·
2 ANSWERS
2006
CHRYSLER 300
VIEW MORE
Ask a Car Question. It's Free!
Air Filter Replacement
Symptoms of Low Engine Power
Fix an Engine with Low Power!