Aftermarket radio

Tiny
CODY EUSTICE
  • MEMBER
  • 1998 VOLVO S70
  • 188,000 MILES
I installed a aftermarket radio all wires are connected properly and radio works so does sound. Once in gear and accelerating radio shuts off and will come one when I make a complete stop. New radio has no option to enter anti theft radio code. What should I do?
Friday, March 15th, 2019 AT 12:48 AM

1 Reply

Tiny
JOETECHPRO
  • MECHANIC
  • 705 POSTS
Hey Cody,

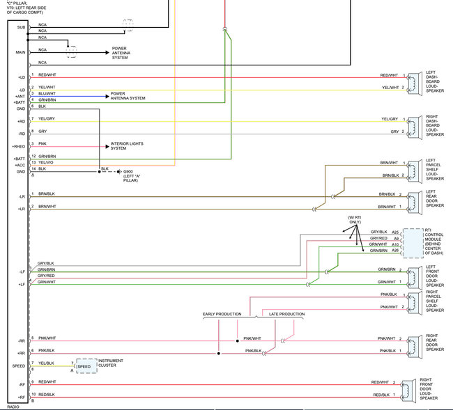
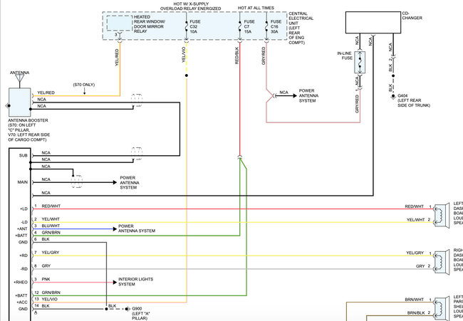
It sounds most likely to be a wiring issue for the power/ground to the radio. The aftermarket radio should not need a security code and this should not be a problem. Did you have this problem before replacing the radio? Is this new radio a known working unit? Have you used a wiring adapter harness or spliced the wires? If this problem has only occurred since wiring in the new unit I would start by pulling the radio out still connected and moving the wiring at the back to see if you can reproduce the fault. Make sure all the connections are insulated fully. If this does not work drive the vehicle with the radio pulled out but connected to see if the fault is still present. Extra wiring can get crushed behind the radio and cause shorting. Check the wires for signs of pinching. Then recheck to make sure you have connected all wires correctly to the new radio harness.

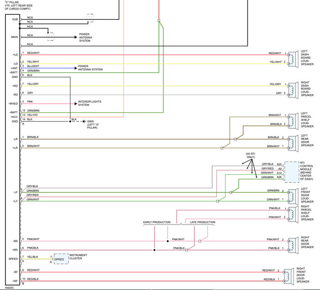
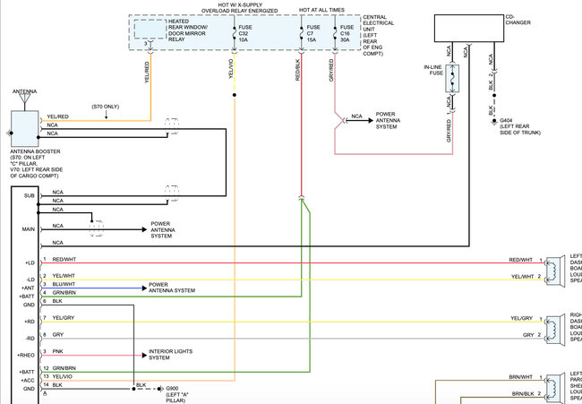
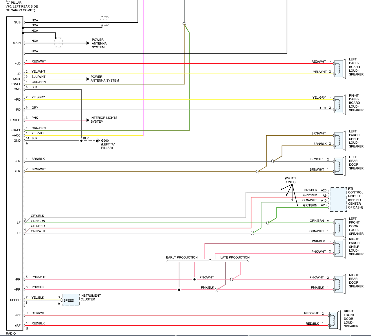
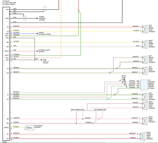
I have attached the wiring diagram showing the power and ground wires to the radio (for the version without amplifier)

Let me know how you get on.

Regards, Joe
Was this
answer
helpful?
Yes
No
Saturday, March 16th, 2019 AT 1:09 PM

Please login or register to post a reply.