Tuesday, July 11th, 2017 AT 8:15 AM
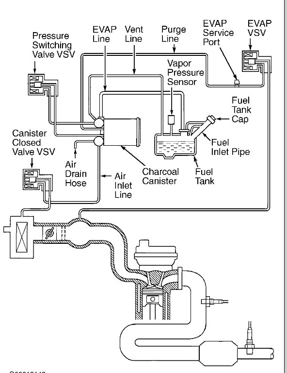
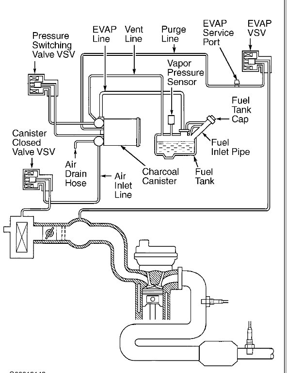
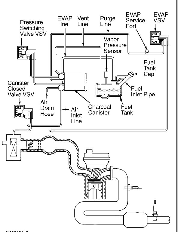
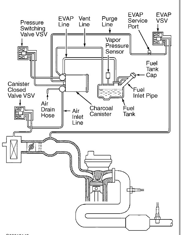
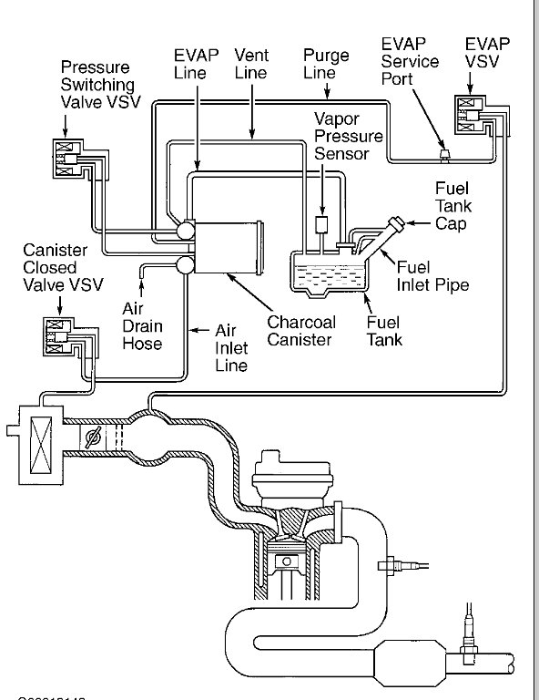
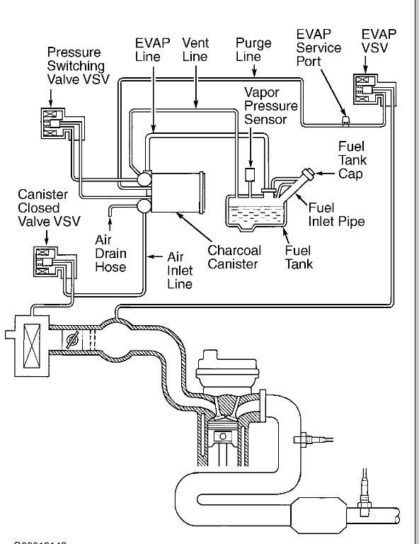
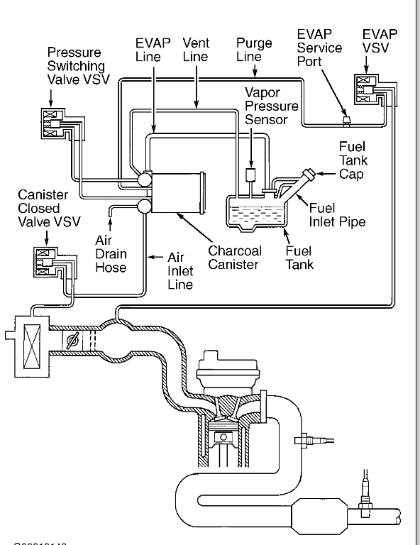
I bought this car with a K&N Typhoon Air Tube aftermarket air cleaner kit. The problem I am having is there is no original air cleaner assembly and since the previous owner is unknown to me, In the description, you have a PWM vsv and the VSV on the bottom. The PWM has air hoses going to it, where the VSV below it does not. I have no information or any hanging vacuum lines to where I can connect the two ends off. I figure if it has an electrical connector to it, it is a functioning solenoid. Even with the description of the vacuum lines on the underside of the car's hood, I still have no idea where these ends are to be connected. I currently have a check engine light on and yes, it has a rough start. From the previous diagram, the VSV was connected to the air cleaner assembly. Since I cannot see that as a reference, I do not know where the new lines from the VSV will go. Also, with it like it is now, it has a loud hissing sound, like a loud air line leak from a compression tank. It should not be sounding like this. Pictures help. If you can tell me where to reconnect or search for the lines that connect to what other end. Id add a file image, but it is too big unless you know how to send PDF files of 8,000. It has three to four pages is why.



