Friday, November 22nd, 2024 AT 9:57 AM
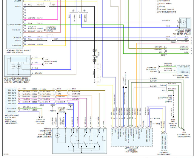
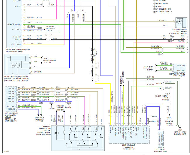
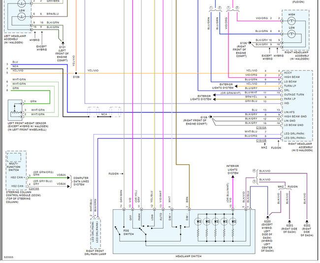
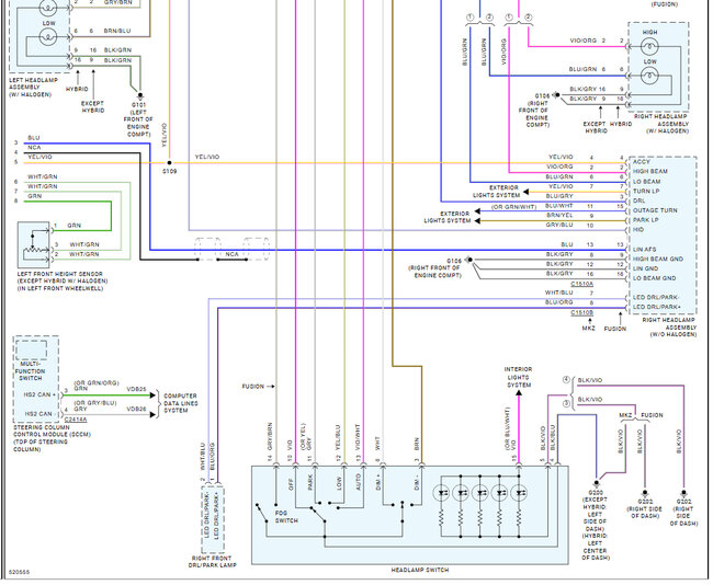
Hello my car listed above was equipped with HID adaptive headlights... I upgraded the bulbs to D3S LED bulbs unfortunately right now my RH Headlamp bulb is burnt out whereas my LH is still working... With that being said since the RH light hasn’t been working the LH light has been shining directly on to incoming traffic... When I replace the RH bulb will the LH light adjust automatically back to its correct position?
Or will I need to replace a module for the adaptive headlights to operate correctly?












