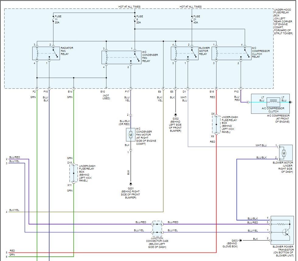
The blower motor does not blow air whether the AC itself is on or off. I think that the AC itself works because when I turn the AC on and drive I feel cold air coming thru. It is just does not matter what setting I choose for the fan, it does not blow at all. I checked the related fuses, they are fine. I have a multi meter and I understand electric diagrams pretty good. The problem is I don't have a diagram if I had one I think it would be easy to diagnose the issue. Please advise on a way to diagnose the problem without a repair shop.
thank you
Tuesday, August 19th, 2008 AT 10:19 PM






