Sunday, July 6th, 2008 AT 4:39 PM
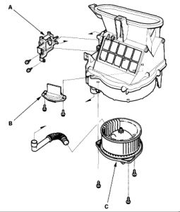
We just replaced the battery in our Acura and now the heater fan/ won't quit running. We can change the temp, but not turn on the A/C. Tried simply shutting off with the control and that doesn't work. Had to pull the fuse to gt it off.



