Where is the A/C relay located?

Tiny
CHINO.D
  • MEMBER
  • 2017 NISSAN ROGUE
  • 108,000 MILES
Where is the A/C relay on the vehicle listed above, Sport model with a 2.5L?
Wednesday, June 29th, 2022 AT 4:01 PM

1 Reply

Tiny
JACOBANDNICKOLAS
  • MECHANIC
  • 110,192 POSTS
Hi,

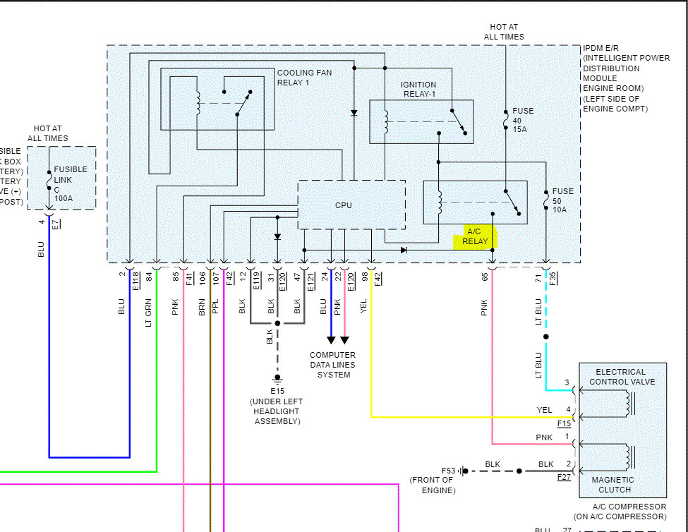
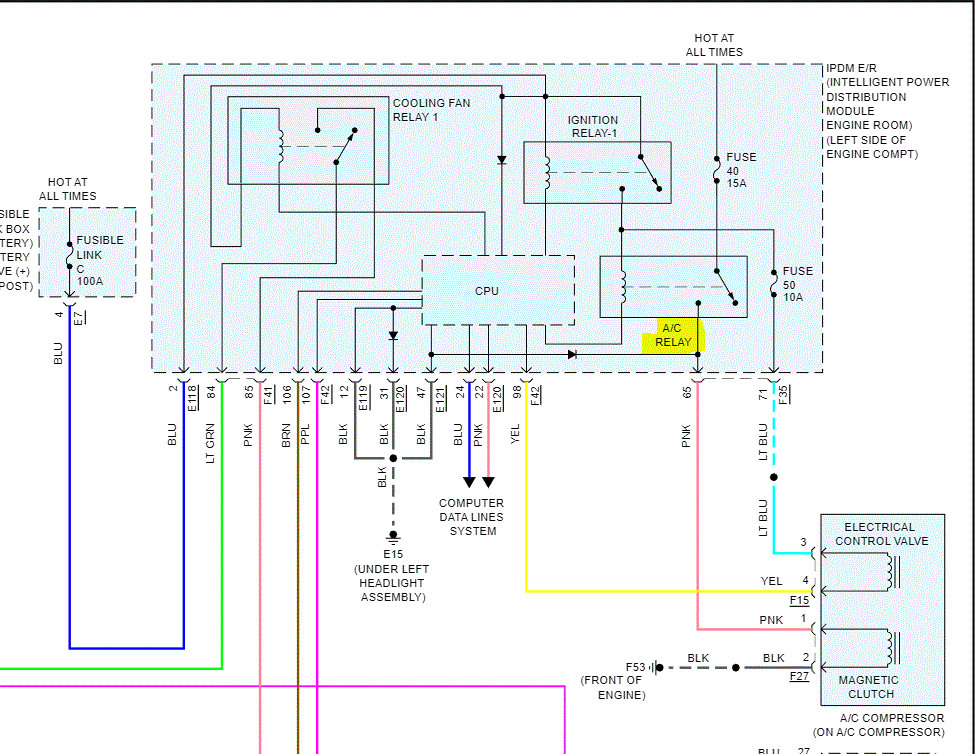
The A/C compressor relay is in the IPDM (intelligent power distribution module) under the hood. Here is the issue. You won't see it. It is an integral component within the module.

I attached a portion of the schematic for you to see.

Let me know if this helps or if you have other questions.

Take care,

Joe

See pic below.
Was this
answer
helpful?
Yes
No
Wednesday, June 29th, 2022 AT 11:56 PM

Please login or register to post a reply.

Related Air Conditioner Relay Location Content