Tuesday, July 30th, 2019 AT 6:14 PM
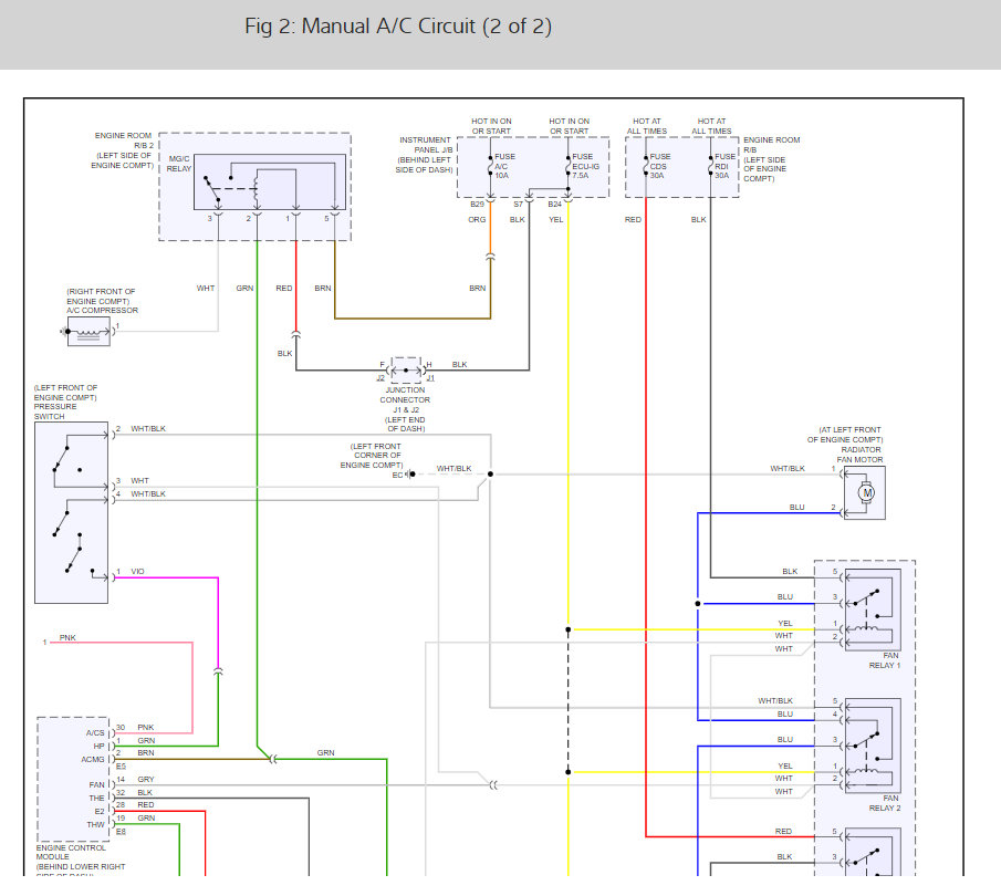
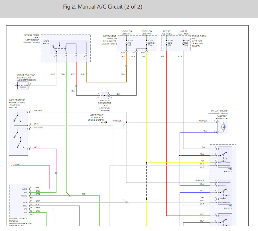
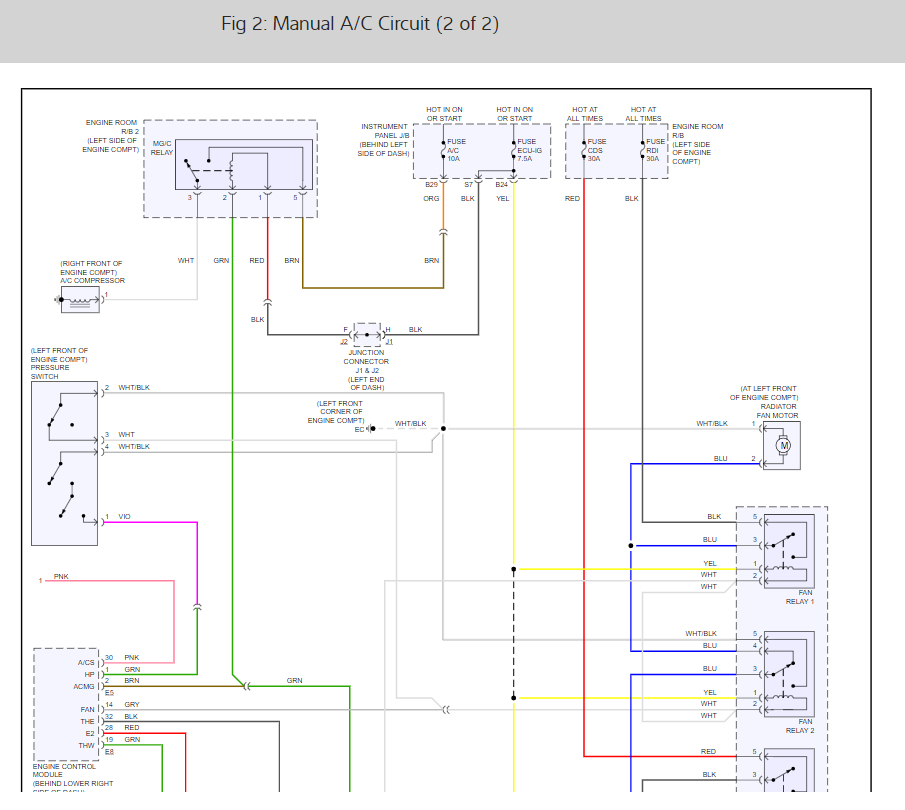
So I thought it needed to be charged. Then I realized it was because the A/C clutch wasn't engaging. I got it to engage, checked to see if it needed Freon but it read that it didn't. After I turned A/C off I could never get it to engage again. I checked everything troubleshooting says and nothing. Now it just depends on it's mood I'll try and it will engage. Runs great for 15 minutes and turns off and won't kick back on no matter how many times I try. So maybe it will turn on in four days and then it just repeats. Help!






