HOME
ASK A QUESTION
REPAIR GUIDES
BECOME A MEMBER
LOG IN
Login with Facebook
OR
Remember me
NOT A MEMBER?
FORGOT PASSWORD?
CONTACT US
PRIVACY POLICY
TERMS AND CONDITIONS
☰
Home
Pontiac
Firebird
Climate Control
Air Conditioner
Pressure Sensor
AC pressure sensor
BILLMILL5050
MEMBER
2002 PONTIAC FIREBIRD
3.8L
V6
RWD
AUTOMATIC
87,000 MILES
How would I ckeck if ac pressure sensor is good I'm getting code p1639 thanks
Tuesday, August 30th, 2016 AT 12:34 PM
5 Replies
WRENCHTECH
MECHANIC
20,761 POSTS
Examine the data with a scan tool and you can see what pressure the sensor is signaling to the computer.
Was this
answer
helpful?
Yes
No
Tuesday, August 30th, 2016 AT 3:03 PM
BILLMILL5050
MEMBER
66 POSTS
P1639 IS MANUFACTURERS COMPUTER AND AUXILIARY OUT
Was this
answer
helpful?
Yes
No
Tuesday, August 30th, 2016 AT 10:51 PM
KEN L
MASTER CERTIFIED MECHANIC
54,348 POSTS
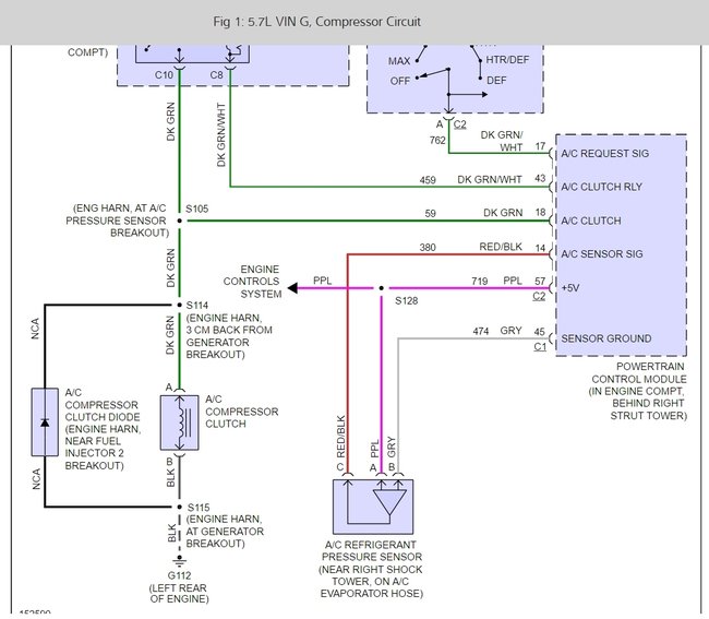
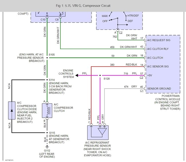
It is a three way pressure switch, use this wiring diagram to help you.
Image (Click to make bigger)
Was this
answer
helpful?
Yes
No
+1
Thursday, September 1st, 2016 AT 1:21 PM
BILLMILL5050
MEMBER
66 POSTS
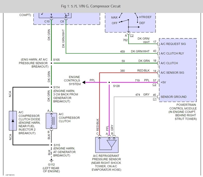
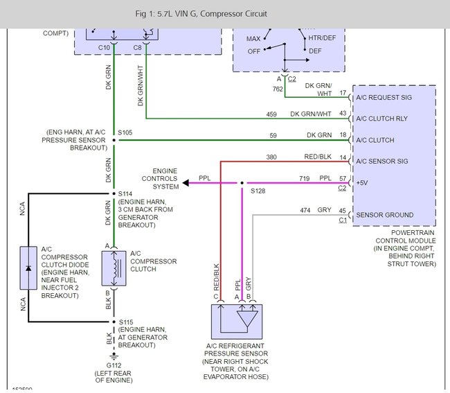
Is this it? Will the ac leak if I take off? Does it un-screw? Thanks all I appreciate it
Image (Click to make bigger)
Was this
answer
helpful?
Yes
No
Thursday, September 1st, 2016 AT 1:53 PM
WRENCHTECH
MECHANIC
20,761 POSTS
It may have a schraeder valve under it to hold the refrigerant but I wouldn't take the chance that it may not. I would evacuate the system first.
Was this
answer
helpful?
Yes
No
Thursday, September 1st, 2016 AT 3:00 PM
Please
login
or
register
to post a reply.
Related Air Conditioner Pressure Sensor Content
2002 Pontiac Firebird
A.C Water That Usually Drips Outside Underneath Is Leaking Inside The Car Any Idea What It Could Be?
Asked by
eguyntx1
·
2 ANSWERS
2002
PONTIAC FIREBIRD
2002 Firebird Air Conditioner A/c Noise And Smell
I Have A 2002 Pontiac Firebird (v6, 3.8l) With 16,000 Miles. I Have Recently Been Hearing A Loud, High-pitched, Squeaking Or Squeeling...
Asked by
BDugan2145
·
1 ANSWER
2002
PONTIAC FIREBIRD
98 Firebird A/c Blows Low Air - Not Very Cool
I Have A 98 Firebird Formula (171k) Auto -- This Morning I Noticed The A/c Was Working At Full Blast But Later In My Hour Drive I Turned It...
Asked by
enhancedvibes
·
5 ANSWERS
1998
PONTIAC FIREBIRD
Connection To Recharge The Ac W/refrigerant
Hello, I Have A 1998 Pontiac Firebird W/ A 3800 Series Ii V6, 78,000 Miles. I Have A R134a A/c Recharge Kit, But I Cannot Find The Low...
Asked by
grdnfan07
·
1 ANSWER
PONTIAC FIREBIRD
I Have A 98 Trans Am That I Recently Purchased For My...
I Have A 98 Trans Am That I Recently Purchased For My Wife. The Heat And A/c Don't Work, But The Blower Work And Air Direction Works As...
Asked by
Anonymous
·
2 ANSWERS
1998
PONTIAC FIREBIRD
VIEW MORE
Ask a Car Question. It's Free!
Air Conditioner - Vacuum Down and Recharge
How to Vacuum Down and Recharge Your A/C
Top off Automotive Air Conditioning