Sunday, July 12th, 2020 AT 9:43 AM
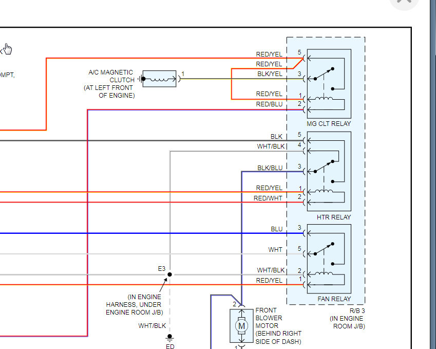
A/C compressor not kicking, is this one supposed to turn free by hand with car off? I have seen VW ones that you can't turn with your hand. I am trying to figure out whether it's locked. Also, I have codes that are history, do these have anything to do with the A/C running?




