Monday, October 16th, 2023 AT 3:29 AM
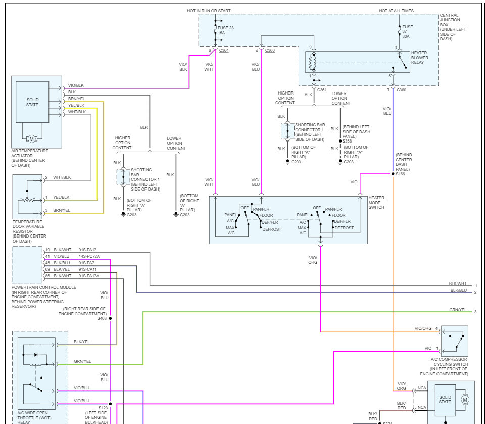
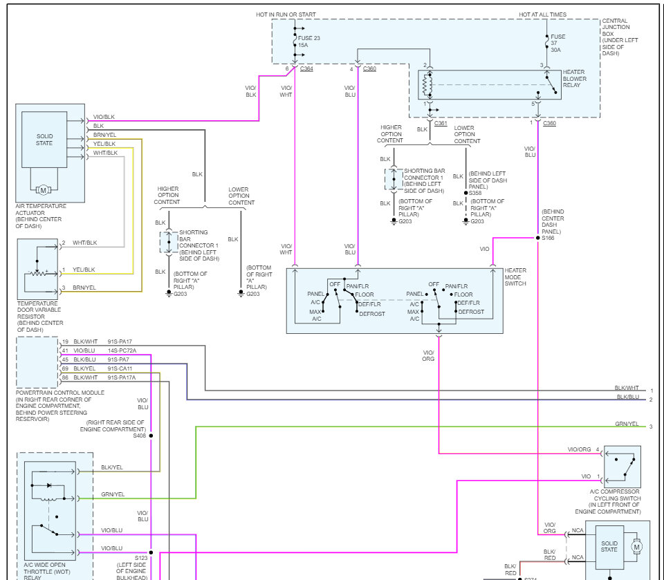
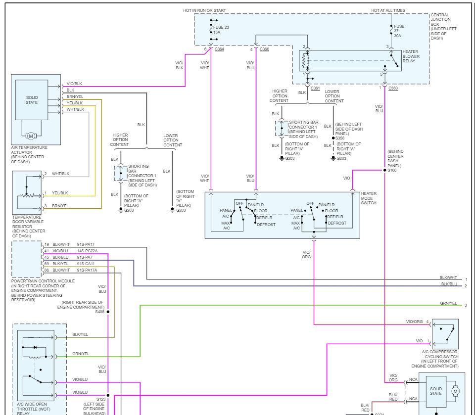
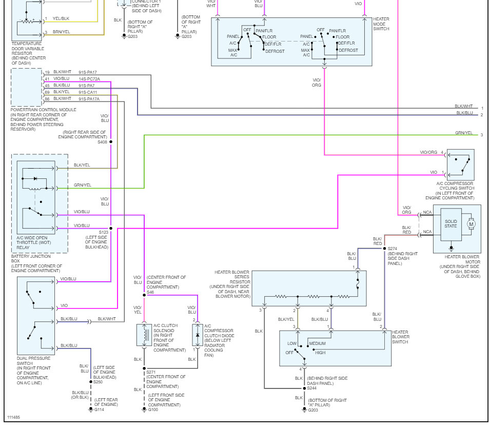
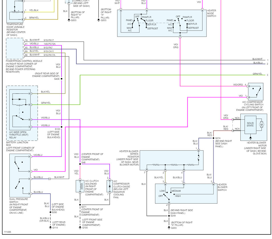
Dears, due to my lot of A/C problems (occasionally short cycling) I would like to test the temperature sensor of the evaporator. As I can read on lot of Google results it is usually on most vehicles on the right (passenger) side and is reachable after removing glove box. But after done that today, I found only a plastic square device connected with multiwire connector and after removing it I saw that it has only a small plastic axle that gave me a conclusion it is some step motor or similar like that. Do you have some diagram or knowledge of where is the location of that sensor?






