A/C compressor not getting power

Tiny
RICHPATRIZ
  • MEMBER
  • 2009 NISSAN ROGUE
  • 2.5L
  • 4 CYL
  • 4WD
  • AUTOMATIC
  • 100,000 MILES
Hello, My vehicle listed above as filled all the information the A/C went out. Okay, so the clutch looked shot burnt. Maybe I'm answering my own question but any way I replaced the compressor with new clutch and the pressure switch charged and still nothing jumped the compressor so it works all fans work blows cold air. All I need is the compressor to turn on. Fuse is good but this car does not have a relay switch is it possible the burnt clutch as I did bench test it and nothing possibly somehow messed up the IPDM board that this model has the A/C relay switch on? Is there a way to test so i'm not replacing for no need if not the problem? Hope you can help.
Thank you, Rich
Tuesday, June 18th, 2019 AT 6:55 PM

12 Replies

Tiny
RICHPATRIZ
  • MEMBER
  • 7 POSTS
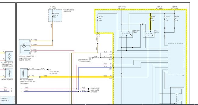
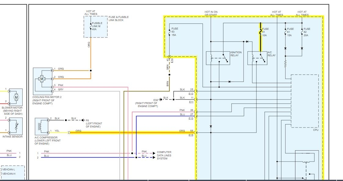
In addition, I found this awesome way to test the IPDM. See below, so after this test I can see and hear my clutch engage so it can't be the IPDM so with no power to the compressor and a replaced pressure switch what the heck can it be?

Here is a way to test the IPDM: Turn the ignition key to the on position, press your door switch 10 times, turn the ignition off then turn it back to the on position. If you do this right your horn will beep and the oil light will start flashing. The defroster, headlights, cooling fans, wipers, and compressor clutch will cycle, so make sure that your hood is open so you can here the clicks of the compressor clutch. This is called the auto active test and this tests the main functions within the IPDM. If the compressor clutch clicks then it is not the IPDM.
Was this
answer
helpful?
Yes
No
Tuesday, June 18th, 2019 AT 8:18 PM
Tiny
ASEMASTER6371
  • MECHANIC
  • 52,796 POSTS
Good afternoon,

The relay is part of the module.

The test you did was for the module as it passed current to the clutch from the microprocessor. The relay is internal and is controlled by the inputs from the pressure switches. It energizes the relay when the proper signal is seen.

You need a scan tool to view the live data from the switch inputs.

Check the fuse listed for power on both sides.

You can still have a bad module in this case.

Roy
Was this
answer
helpful?
Yes
No
Wednesday, June 19th, 2019 AT 3:00 PM
Tiny
RICHPATRIZ
  • MEMBER
  • 7 POSTS
Hello Roy,
Thank you for your help. You state,
The relay is internal and is controlled by the inputs from the pressure switches.
My car only has one pressure switch to my knowledge? And I replaced it. I was told the test I performed if the compressor clutch engages the module is good for all that respond to the test.
If your saying it could still be the module, and if only one pressure switch, could it be fair to say with everything replaced at this point but the module. It's the module?
I don't have a scanning tool and if I bring it to someone I'll probably spend more than the 130 modular part.

What do you think?
Was this
answer
helpful?
Yes
No
Friday, June 21st, 2019 AT 6:59 PM
Tiny
ASEMASTER6371
  • MECHANIC
  • 52,796 POSTS
It is the last step before confirming the module as the failure.

Roy
Was this
answer
helpful?
Yes
No
Friday, June 21st, 2019 AT 7:36 PM
Tiny
RICHPATRIZ
  • MEMBER
  • 7 POSTS
Hello Roy,
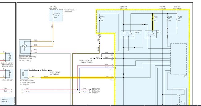
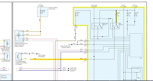
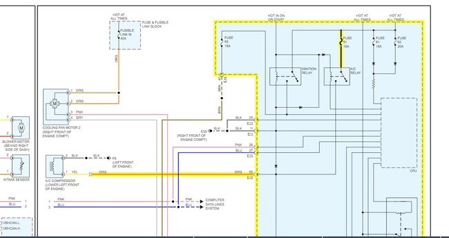
Tks for the advice. Can you supply me with the IPDM part number or even better yet a picture if what the full part looks like? I have an idea but don't want to invest in the wrong part and it seems like there are no photo's online. Is this it? (See attached)
Was this
answer
helpful?
Yes
No
Sunday, June 23rd, 2019 AT 5:44 PM
Tiny
ASEMASTER6371
  • MECHANIC
  • 52,796 POSTS
You would need to call the dealer for the part number as they update these part number every couple of years.

Roy

Procedure

Removal and Installation

CAUTION:
IPDM E/R integrated relays are not serviceable parts, and must not be removed from the unit.

REMOVAL
1. Remove air duct (inlet). Refer to See: Air Cleaner Housing > Removal and Replacement > Exploded View.
2. Remove battery. Refer to See: Battery > Removal and Replacement > Exploded View.

ImageOpen In New TabZoom/Print

3. Remove IPDM E/R (1) while pushing and opening pawls (A).
4. Disconnect connectors from IPDM E/R.
5. Remove fuse and fusible link block cover.

ImageOpen In New TabZoom/Print

6. Unlock all pawls (A) of IPDM E/R bracket, and remove IPDM E/R bracket (1).
7. Unlock pawls of IPDM E/R cover A, harness cover A and harness cover B, remove them.
8. Disconnect connectors connected to fuse and fusible link block upper side, and remove fuse and fusible link block.

ImageOpen In New TabZoom/Print

9. Remove IPDM E/R cover B mounting bolts (A) and battery cable fixed clip (B), and remove IPDM E/R cover B (1).
Was this
answer
helpful?
Yes
No
Monday, June 24th, 2019 AT 2:27 AM
Tiny
RICHPATRIZ
  • MEMBER
  • 7 POSTS
Hello Roy,
Tks again for the help. The saga continues. I decided to run up to the junkyard and buy a used IPDM module as the new one sells for over 500. It's a 2009 same year yes the picture I sent you lines up with the part number form Nissan 284B6JG03A so yes the picture I sent is the box/module in question. I put it in and nothing no change at all I know a local mechanic so I figured rather than paying Nissan 150 an hour to diagnose the problem he is good and should be able to help out, well he was as lost as I am as he got to the same point I got, but he said the module need to be programmed when replaced? Do you know if that's the case? Oh and to really just throw a monkey wrench into this whole dilemma. Guess what happened as I was getting ready to take the car to my mechanic? Yep the AC clicked on I thought wow maybe the new/replaced module needed time to be recognized no need to go to the mechanic? But after cycling on and then off once it stopped working ever since which is why I brought it to the mechanic. Any other advise kind of weird that two modules are bad with same issue? No?
Was this
answer
helpful?
Yes
No
Thursday, July 4th, 2019 AT 8:51 AM
Tiny
ASEMASTER6371
  • MECHANIC
  • 52,796 POSTS
Okay, first a used module is never a good idea. The numbers may match up but the used unit needs to be flashed or programmed to your car, not the junk car.

Anyway, if it did work then it was failed. The issue is what caused it to fail. Voltage spikes are the common issue for the failures of the ECM.

I am afraid that if you get another one, it will fail as well unless you or someone finds the reason it failed.

Roy
Was this
answer
helpful?
Yes
No
Thursday, July 4th, 2019 AT 9:04 AM
Tiny
RICHPATRIZ
  • MEMBER
  • 7 POSTS
Okay, not a good idea but 500, not an option. So Nissan here I come for repairs bills and money I don't have? I know this is not a good idea also, but I'm going to ask what is the danger? If I run a switch directly to the compressor? I know not a good idea but the compressor is $130.00 on eBay. I drained the whole system and replaced the pressure switch so not like I can't repair anything that might go bad so what would be the harm overwork the compressor and maybe have to replace in a year? When I hot wire it now it runs at 40psi on low and 185psi on high steady with not running the pressure build up, a lot higher? Run a hot switch from the fuse box and call it a day? I know not the right thing to do but my concern is what really can happen? When testing it never went out of the range I gave you.
Was this
answer
helpful?
Yes
No
Thursday, July 4th, 2019 AT 11:52 AM
Tiny
ASEMASTER6371
  • MECHANIC
  • 52,796 POSTS
Yes you can. The only issue is there is no protection to the compressor if there is a problem with the Freon.

Roy
Was this
answer
helpful?
Yes
No
Thursday, July 4th, 2019 AT 12:05 PM
Tiny
RICHPATRIZ
  • MEMBER
  • 7 POSTS
Hello Roy,
Thank you for going back and forth so promptly on this issue your dialog was greatly appreciated. Ran power from fuse box to the compressor with the use of an on/off switch and the AC is now blowing cold air and problem solved. I wanted to make sure I followed up on my completion of this fix so that if any others run into this problem may be this thread will help them as I read many on sites that tend to help me.
Thanks again. Chillin Rich
Was this
answer
helpful?
Yes
No
Friday, July 5th, 2019 AT 10:06 AM
Tiny
ASEMASTER6371
  • MECHANIC
  • 52,796 POSTS
You are welcome.

Always glad to help.

Roy
Was this
answer
helpful?
Yes
No
Friday, July 5th, 2019 AT 10:11 AM

Please login or register to post a reply.

Related Air Conditioner Compressor Clutch Content