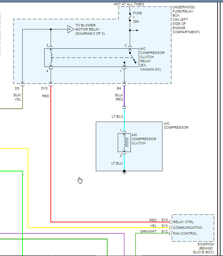
The A/C is full had it recharged at the shop.
I've checked and check wires but I can't find the issue.
All fuses and relays are new.
When I went to check with my power probe I checked the relay for the clutch and all but one seem to get power.
I can't find a wire ether, ideas?
The one the prob is in in the image is the one not getting power.
Thursday, May 28th, 2020 AT 4:39 PM



