Saturday, July 30th, 2016 AT 11:45 AM
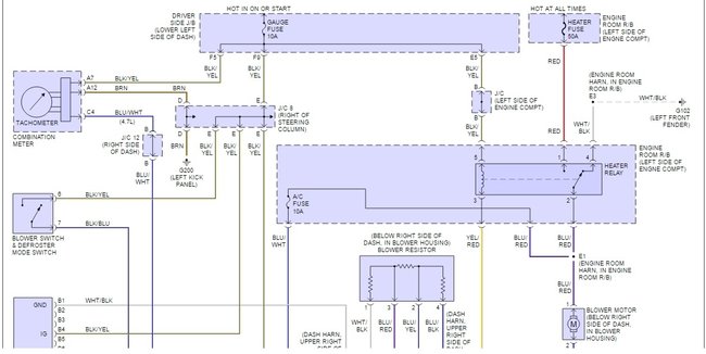
My air conditioner was working, but the blower motor was making a very loud noise and vibrating the dash. After a few days, I went to turn it on to show a friend the noise for advice. The motor would not come on at all. I replaced the relay and the blower motor. I also cleaned out all the leaves and debris behind the resistor. The same results though. Nothing happens when I turn the switch on. What could it be?





