ABS module

Tiny
RBGARST
  • MEMBER
  • 2008 CHRYSLER TOWN AND COUNTRY
  • 4.0L
  • 6 CYL
  • 2WD
  • AUTOMATIC
  • 136,000 MILES
If I change out the ABS control module myself does it need to be programmed or will it work okay by me just changing the module? The computer code read out said “ control module inner failure”. I can change out the module myself if that is all that is needed.
Wednesday, August 15th, 2018 AT 7:15 AM

3 Replies

Tiny
ASEMASTER6371
  • MECHANIC
  • 52,796 POSTS
Good afternoon.

Below is the procedure for removing.

Yes, you can do it yourself. It does not have to be flashed.

Roy

REMOVAL

1. Disconnect the negative (ground) cable from the battery and isolate it.

CAUTION: Before disassembling the ICU, the ICU must be thoroughly cleaned. This must be done to prevent dirt particles and debris from entering into vital areas of the ICU.

2. Thoroughly clean all surfaces of the ICU and brake tubes. Use only a solvent such as Mopar(R) Brake Parts Cleaner or equivalent.

ImageZoom/Print

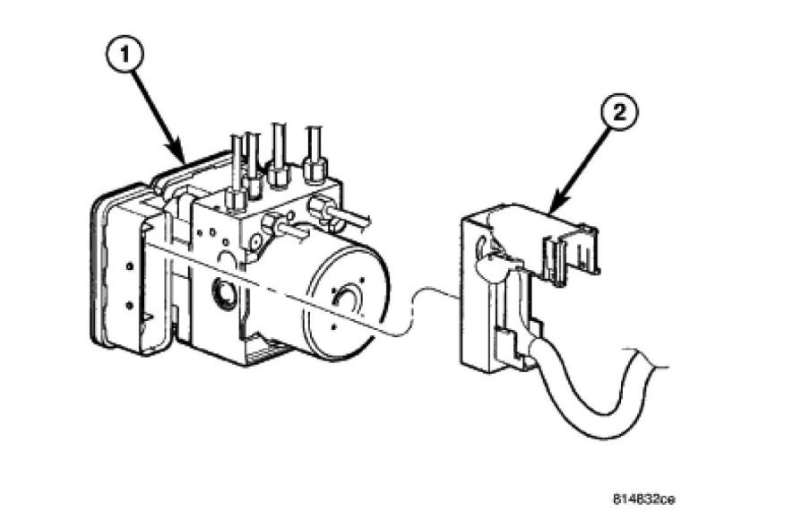
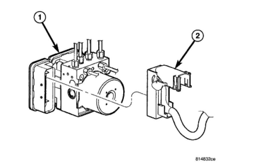
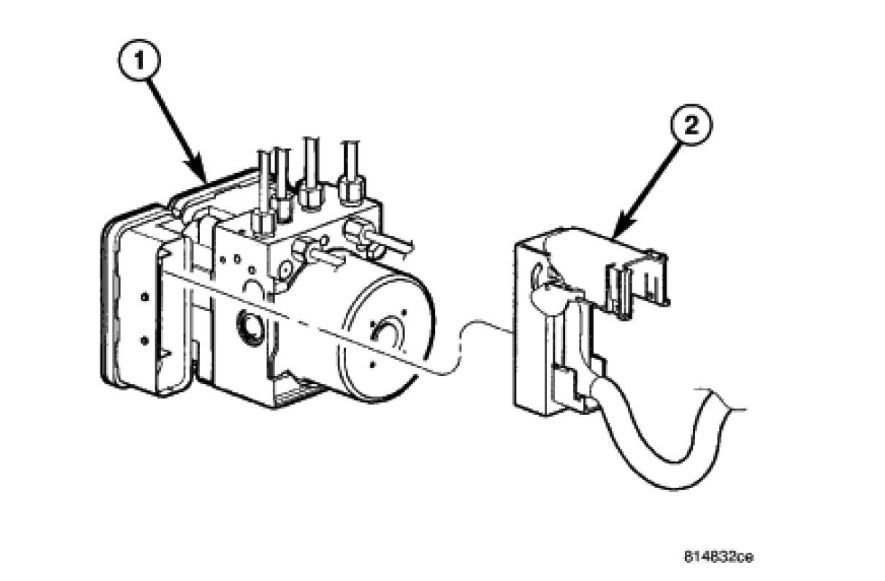
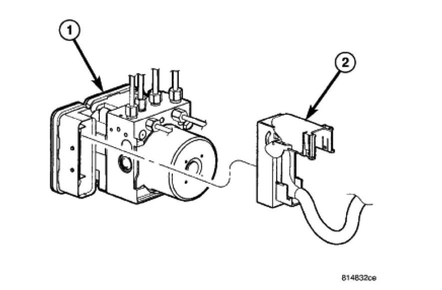
NOTE: Use this figure in the following step to release the ABM harness connector cover. It shows the location of the release tabs.

ImageZoom/Print

3. Disconnect the ABM harness connector from the Antilock Brake Module (ABM). To do so:
a. Depress the tabs on each side of the connector cover, then
b. Pull outward and upward on the lower half of the cover until it locks into position pointing straight outward (2). The connector can then be pulled straight outward off the ABM (1).

ImageZoom/Print

4. Remove the four screws (1) attaching the ABM (2) to the HCU.

ImageZoom/Print

5. Separate the ABM (1) from the HCU (2).

8. Hook up the scan tool to initialize the ABM and perform the following:
a. Clear any faults.
B. Perform the ABS Verification Test and road test the vehicle. See: A L L Diagnostic Trouble Codes ( DTC ) > Verification Tests > ABS Verification Test
Was this
answer
helpful?
Yes
No
+1
Monday, March 15th, 2021 AT 12:56 PM
Tiny
RBGARST
  • MEMBER
  • 2 POSTS
I do not have a scan tool. Does the control module have to be initialized?
Was this
answer
helpful?
Yes
No
Monday, March 15th, 2021 AT 12:56 PM
Tiny
ASEMASTER6371
  • MECHANIC
  • 52,796 POSTS
No, it just says to clear any codes.

Worse case scenario is you may have to take it to a shop and have them clear out any codes after you replace it.

Roy
Was this
answer
helpful?
Yes
No
+1
Monday, March 15th, 2021 AT 12:56 PM

Please login or register to post a reply.

Related ABS Module Replace/Remove Content