A/C controls only work on high but resistor is new

Tiny
LEXIMUZIQ1
  • MEMBER
  • 2001 CHEVROLET MONTE CARLO
  • 6 CYL
  • AUTOMATIC
  • 125,000 MILES
My ac and heat only work on high and the resistor is new by a couple of days. Also there's four buttons under the switches and only one of them stay lit the other three I can press all day and they won't illuminate. My defrost on the front glass works and my back glass doesn't since I can't press the button. The blower motor tested good and with the new resistor I don't know what the issue is. There's no check engine light on either.

Please help, thanks!
Friday, November 7th, 2014 AT 10:03 AM

3 Replies

Tiny
JDL
  • MECHANIC
  • 16,098 POSTS
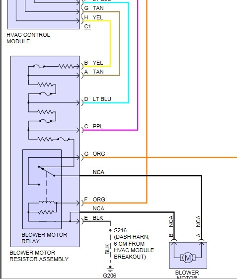
It's possible your blower motor will only work on high speed. High speed doesn't use a resistor, the lower speeds do. Lower speed lower voltage if you want to word it that way.

Check for voltage and ground at blower motor connector, lower speeds.

If you can't push buttons on hvac control module, it may need to be replaced?

The top four wires in diagram are for lower speeds. The yellow wire is for lowest speed. With hvac turned on lowest speed, any voltage on the wire? The lower speeds use a different fuse than the high speed.
Was this
answer
helpful?
Yes
No
Friday, November 7th, 2014 AT 11:21 AM
Tiny
LEXIMUZIQ1
  • MEMBER
  • 2 POSTS
So control module could be a possibility. As far as the testing for voltage would I use the multilmeter one color corresponding tip on the wiring harness that plugs into the resistor? And I'm guessing I do with the car on. I've heard rumors of the block behind the cabin fuse door (not sure what its called) could be charred since its common for GM vehicles. And to clarify with the multimeter test, I haven't used it before but I have one so what should I set the dial to and is there a range of numbers to look for or would any numbers that pop up show a good or bad sign? Lastly I've hooked up the blower motor to the battery with mini jumper cables alligator clip thing and it worked no hesitation. Could we rule out the motor being bad?

Thanks for the fast response
Was this
answer
helpful?
Yes
No
Friday, November 7th, 2014 AT 2:08 PM
Tiny
JDL
  • MECHANIC
  • 16,098 POSTS
No I can't rule out the blower motor at the moment. It may run on high, but not the lower speeds?

Just set the digital multimeter on 12 volts, key on, hvac on, blower low speed, red lead goes to voltage, black lead goes to ground. Anything on the yellow wire?

If you hook the leads up backwards it won't matter, except you may get a minus sign with the reading.
Was this
answer
helpful?
Yes
No
Friday, November 7th, 2014 AT 2:38 PM

Please login or register to post a reply.