What is the part number of the 10-pin A/C amplifier?

Tiny
MIKI#
  • MEMBER
  • 1996 TOYOTA CARINA
  • 1.8L
  • 4 CYL
  • 2WD
  • AUTOMATIC
  • 110,000 MILES
How about the wiring diagram for the same?
Friday, April 1st, 2022 AT 2:52 AM

1 Reply

Tiny
JACOBANDNICKOLAS
  • MECHANIC
  • 110,194 POSTS
Hi,

I'm sorry, but this vehicle isn't offered in the US, so I don't have the specifics for you. However, I believe it is similar to our Toyota Celica.

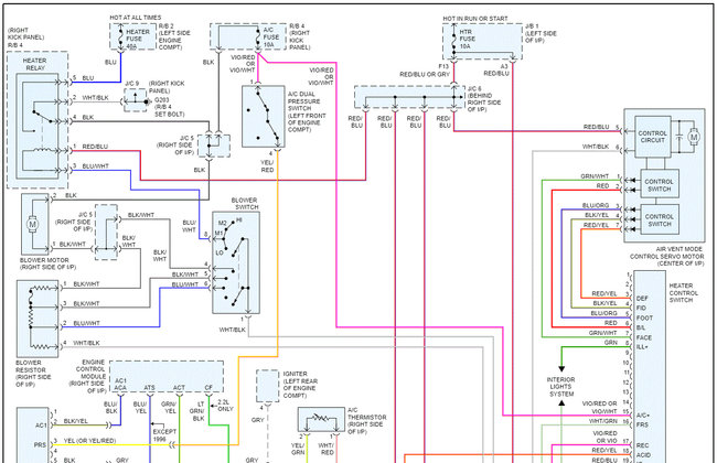
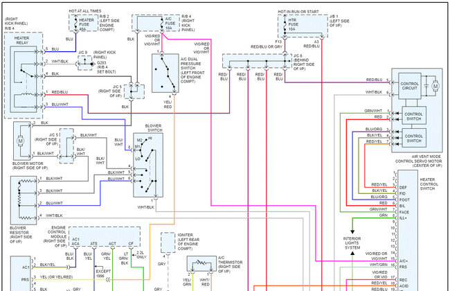
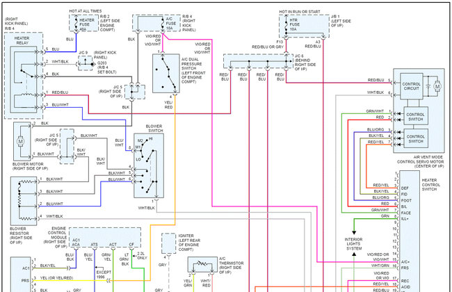
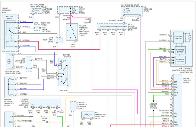
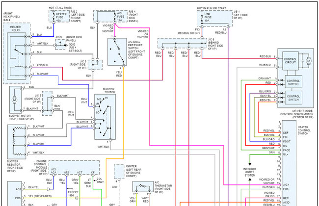
I attached the HVAC wiring schematic for the 1996 Celica for your review. It does show the AC amplifier, but it's not a 10 pin connector.

Take a look through them and let me know if they help or if you have other questions.

Take care,

Joe

See pics below.
Was this
answer
helpful?
Yes
No
Friday, April 1st, 2022 AT 8:53 PM

Please login or register to post a reply.